Каталог
Электроустановочные изделия
Розетки антенные, информационные, коммуникационные
Удлинители, розеточные блоки, разветвители, переходники
Электроустановочные устройства разного назначения
Выключатели, переключатели и диммеры
Вилки кабельные и приборные
Звонки, кнопки и аксессуары
Рамки, суппорты, адаптеры и декоративные элементы для ЭУИ
Аксессуары и компоненты для электроустановочных изделий
Выключатели с дистанционным управлением
Блоки комбинированные
Молниезащита
Электроустановочные датчики
Устройства управления жалюзи, звуком, сигнализацией, климатом
Таймеры
Розетки силовые
Электромонтажные изделия
Кабельные наконечники и гильзы
Термоусаживаемые трубки
Маркировочные изделия
Кабельные вводы и сальники
Муфты
Изолента ПВХ
Соединители кабельные
Термоусаживаемые ленты
Защитные и ведущие системы для кабелей
Термоусаживаемые перчатки и капы
Пломбы, маркер кабельный
Ленты специальные
Аэрозоли, смазочные, герметезирующие и защитные составы
Лента сигнальная/оградительная
Лента монтажная
Изолента х/б
Сжимы и орехи
Разъемы кабельные
Трубка ТВ- (кембрик) ПВХ
Предупредительные знаки и наклейки
Умный дом
Датчики и сенсоры
Комплекты умного дома
Брелоки и пульты управления
Цоколи и патроны, умные лампы
Умные розетки, удлинители и выключатели
Терморегуляторы
Средства и системы охранно-пожарной сигнализации
Системы передачи извещений
Приборы приемно-контрольные
Радиоканальные системы
Пожарные оповещатели
Интегрированная система «ОРИОН» «Болид»
Пожарные извещатели и оповещатели
Адресная система ОПС «РУБЕЖ»
Средства и системы охранного телевидения
Цифровые системы видеоконтроля
Телекамеры
Передача сигналов
Объективы для камер видеонаблюдения
Видеорегистраторы
IP-видеосерверы
Аксессуары
Средства пожаротушения
Пожарные шкафы, щиты, подставки
Прочие средства пожаротушения
Огнетушители
Пенное пожаротушение
Порошковое пожаротушение
Модули ТРВ (тонко-распыленная вода)
Газовое пожаротушение
Аэрозольное пожаротушение
Пожарные рукава и арматура (головки, клапана, стволы)
Водяное пожаротушение
Автономные огнетушители
Средства и системы оповещения, музыкальной трансляции
Системы оповещения о пожаре
Системы оповещения, музыкальной трансляции
Оборудование для защиты информации
Средства и системы контроля и управления доступом (СКУД)
Кнопки выхода
Доводчики
Биометрические СКУД
Ограждения
Готовые решения СКУД
Контроль периметра
Зеркала безопасности
Шлагбаумы и автоматика
Устройства для печати на пластиковых картах
Турникеты
Считыватели
СКУД автономные
СКУД сетевые
Калитки
Замки и электромеханические защелки
Идентификаторы
Досмотровое оборудование
Домофоны и переговорные устройства
Светофоры
Сетевое оборудование
Трансиверы (SFP-модули)
Программное обеспечение для сетевого оборудования
Прочее сетевое оборудование
Инжекторы и сплиттеры PoE
Оборудование для усиления сотовой связи
Модемы
Антенны
Удлинители Ethernet
Системы диспетчерской связи и вызова персонала
Сетевые коммутаторы
Оборудование Wi-Fi
Медиаконвертеры
Средства защиты информации
Сетевые адаптеры
Рации и аксессуары
Преобразователи интерфейса
Часофикация
Светотехника
Аварийное и ориентационное освещение
Световые шнуры, светодиодные ленты и комплектующие
Аксессуары для светотехники и вспомогательное оборудование
Прожекторы и светильники направленного света
Патроны(ламподержатели)
Иллюминация и декоративное освещение
Взрывобезопасные световые приборы
Оптоволоконные и струнные системы освещения
Опоры освещения
Светильники
Лампы(источник света)
Пускорегилирующая аппаратура и устройства питания для световых приборов
Фонари и переносные световые приборы
Трансформаторы для низковольтных систем освещения, блоки защиты ламп
Оборудование СКС
Кабельные органайзеры
Коммутационные модули
Разъемы
Коммутационные розетки
Оптические панели и аксессуары
Патч-корды
Оборудование телефонии
Низковольтное оборудование
Клеммы
Шинопровод
Предохранители
Низковольтные устройства различного назначения и аксессуары
Контрольно-измерительные устройства
Компоненты светосигнальной арматуры
Клеммные колодки
Измерительные приборы для установки в щит
Выключатели нагрузки(рубильники)
Щиты и шкафы
Системы контроля и учёта энергоресурсов
Технологические сенсоры
Приводная техника, насосы и электродвигатели
Пускорегулирующая аппаратура
Низковольтные разъемы
Автоматические выключатели
Автоматизация
Cветосигнальная арматура (кнопки, лампочки, переключатели)
Элементы управления для светосигнальной арматуры
Устройства оптической(световой) и аккустической(звуковой) сигнализации
Компьютерное оборудование
Периферия и аксессуары
Ноутбуки и аксессуары
Компьютеры и ПО
Климатическое оборудование
Воздуховоды и вытяжки
Теплый пол
Аспирационные системы
Монтажные и расходные материалы
Защита протечки воды
Вентиляторы
Бойлеры и аксессуары
Системы антиобледенения
Обогреватели
Терморегуляторы
Радиаторы отопления
Погодные станции и сплит-системы
Отопительные котлы
Кабельно-проводниковая продукция
Кабели для ОПС
Кабели и провода силовые, контрольные, прочие
Огнестойкие кабельные линии (ОКЛ)
Инструмент
Ручной инструмент
Инструмент для работы с кабелем
Аксессуары для электроинструмента
Прочий электроинструмент
Перфораторы
Пилы
Шуруповерты
Сварочное оборудование
Лобзики
Измерительные приборы и инструмент
Дрели
Штукатурно-малярный инструмент
Шлифмашинки
Граверы
Фены (термопистолеты)
Фрезеры
Пистолеты
Отбойные молотки
Ножницы по металлу
Лестницы и стремянки
Заклепочники
Гайковерты
Гвоздезабиватели (степлеры)
Болгарки
Аксессуары для пневмоинструмента
Электромонтажный инструмент
Паяльное оборудование
Магнитный инструмент
Рубанки
Хранение инструмента
Строительные пылесосы
Спецодежда и СИЗ
Инструмент для маркировки
Домкраты
Кабеленесущие системы
Трубы для электропроводки и аксессуары
Металлорукава и аксессуары
Коробки монтажные
Металлические лотки и аксессуары
Кабель-каналы и аксессуары
Системы несущих конструкций
Источники бесперебойного электропитания и АКБ
Стабилизаторы напряжения
Зарядные устройства
Дополнительное оборудование
Источники бесперебойного питания (ИБП/UPS)
Источники питания
Генераторные установки (электростанции)
Аккумуляторы
Трансформаторы
Взрывозащищенное оборудование
Источники электропитания взрывозащищенные
Барьеры искрозащиты
Системы видеонаблюдения взрывозащищенные
Оборудование СКУД взрывозащищенное
Модули пожаротушения взрывозащищенные
Изделия коммутационные взрывозащищенные
Извещатели и оповещатели взрывозащищенные
Термошкафы взрывозащищенные
Приборы приемно-контрольные взрывозащищенные
Прочие взрывозащищенные приборы
IT-направление
Телефония и Unified Communications
Серверы
Программное обеспечение
AutoIDC и электронное торговое оборудование
Отопление
Трубопроводная система PEX/EVOH
Шаровые краны
Балансировочные и термостатические клапаны
Коллекторные узлы
Приборы учёта
Изоляция для труб
Стальные панельные радиаторы
Котлы
Водоснабжение
Трубопроводная система PEX для водоснабжения
Трубопроводная система PPR
Приборы учёта
Редукторы давления
Балансировочные клапаны ГВС
Водоотведение
Чугунные трубы и фитинги SML К2
Канализация ВКПП К1
Акции
Калькулятор ОКЛ
Бренды
Сертификаты дилерства
Как купить
Условия оплаты
Условия доставки
Гарантия на товар
О компании
О компании
Новости
Обучение
Мероприятия
Участие в выставках
Вакансии
Сертификаты дилерства
Сертификаты соответствия
Контакты
Контакты
+7 (499) 340-14-78
+7 (499) 340-14-78Для оптовых покупателей
+7 (800) 550-20-81Для оптовых покупателей
+7 (499) 272-04-37Для поставщиков и оптовых покупателей
+7 (985) 051-96-09Ремонт
+7 (916) 017-84-41
Заказать звонок
Задать вопрос
info@mossb.ru
г. Москва, ул. Снежная, д. 26.
Мы в соцсетях: t.me/msb_ru
  • Telegram
  • WhatsApp
info@mossb.ru
Пн. – Пт.: с 9:00 до 18:00
+7 (499) 340-14-78
+7 (499) 340-14-78Для оптовых покупателей
+7 (800) 550-20-81Для оптовых покупателей
+7 (499) 272-04-37Для поставщиков и оптовых покупателей
+7 (985) 051-96-09Ремонт
+7 (916) 017-84-41
Заказать звонок
Каталог
Электроустановочные изделия
Электромонтажные изделия
Умный дом
Средства и системы охранно-пожарной сигнализации
Средства и системы охранного телевидения
Средства пожаротушения
Средства и системы оповещения, музыкальной трансляции
Средства и системы контроля и управления доступом (СКУД)
Сетевое оборудование
Светотехника
Оборудование СКС
Низковольтное оборудование
Компьютерное оборудование
Климатическое оборудование
Кабельно-проводниковая продукция
Инструмент
Кабеленесущие системы
Источники бесперебойного электропитания и АКБ
Взрывозащищенное оборудование
IT-направление
Отопление
Водоснабжение
Водоотведение
    • Розетки антенные, информационные, коммуникационные
    • Удлинители, розеточные блоки, разветвители, переходники
    • Электроустановочные устройства разного назначения
    • Выключатели, переключатели и диммеры
    • Вилки кабельные и приборные
    • Звонки, кнопки и аксессуары
    • Рамки, суппорты, адаптеры и декоративные элементы для ЭУИ
    • Аксессуары и компоненты для электроустановочных изделий
    • Выключатели с дистанционным управлением
    • Блоки комбинированные
    • Молниезащита
    • Электроустановочные датчики
    • Устройства управления жалюзи, звуком, сигнализацией, климатом
    • Таймеры
    • Розетки силовые
    • Кабельные наконечники и гильзы
    • Термоусаживаемые трубки
    • Маркировочные изделия
    • Кабельные вводы и сальники
    • Муфты
    • Изолента ПВХ
    • Соединители кабельные
    • Термоусаживаемые ленты
    • Защитные и ведущие системы для кабелей
    • Термоусаживаемые перчатки и капы
    • Пломбы, маркер кабельный
    • Ленты специальные
    • Аэрозоли, смазочные, герметезирующие и защитные составы
    • Лента сигнальная/оградительная
    • Лента монтажная
    • Изолента х/б
    • Сжимы и орехи
    • Разъемы кабельные
    • Трубка ТВ- (кембрик) ПВХ
    • Предупредительные знаки и наклейки
    • Датчики и сенсоры
    • Комплекты умного дома
    • Брелоки и пульты управления
    • Цоколи и патроны, умные лампы
    • Умные розетки, удлинители и выключатели
    • Терморегуляторы
    • Системы передачи извещений
    • Приборы приемно-контрольные
    • Радиоканальные системы
    • Пожарные оповещатели
    • Интегрированная система «ОРИОН» «Болид»
    • Пожарные извещатели и оповещатели
    • Адресная система ОПС «РУБЕЖ»
    • Цифровые системы видеоконтроля
    • Телекамеры
    • Передача сигналов
    • Объективы для камер видеонаблюдения
    • Видеорегистраторы
    • IP-видеосерверы
    • Аксессуары
    • Пожарные шкафы, щиты, подставки
    • Прочие средства пожаротушения
    • Огнетушители
    • Пенное пожаротушение
    • Порошковое пожаротушение
    • Модули ТРВ (тонко-распыленная вода)
    • Газовое пожаротушение
    • Аэрозольное пожаротушение
    • Пожарные рукава и арматура (головки, клапана, стволы)
    • Водяное пожаротушение
    • Автономные огнетушители
    • Системы оповещения о пожаре
    • Системы оповещения, музыкальной трансляции
    • Оборудование для защиты информации
    • Кнопки выхода
    • Доводчики
    • Биометрические СКУД
    • Ограждения
    • Готовые решения СКУД
    • Контроль периметра
    • Зеркала безопасности
    • Шлагбаумы и автоматика
    • Устройства для печати на пластиковых картах
    • Турникеты
    • Считыватели
    • СКУД автономные
    • СКУД сетевые
    • Калитки
    • Замки и электромеханические защелки
    • Идентификаторы
    • Досмотровое оборудование
    • Домофоны и переговорные устройства
    • Светофоры
    • Трансиверы (SFP-модули)
    • Программное обеспечение для сетевого оборудования
    • Прочее сетевое оборудование
    • Инжекторы и сплиттеры PoE
    • Оборудование для усиления сотовой связи
    • Модемы
    • Антенны
    • Удлинители Ethernet
    • Системы диспетчерской связи и вызова персонала
    • Сетевые коммутаторы
    • Оборудование Wi-Fi
    • Медиаконвертеры
    • Средства защиты информации
    • Сетевые адаптеры
    • Рации и аксессуары
    • Преобразователи интерфейса
    • Часофикация
    • Аварийное и ориентационное освещение
    • Световые шнуры, светодиодные ленты и комплектующие
    • Аксессуары для светотехники и вспомогательное оборудование
    • Прожекторы и светильники направленного света
    • Патроны(ламподержатели)
    • Иллюминация и декоративное освещение
    • Взрывобезопасные световые приборы
    • Оптоволоконные и струнные системы освещения
    • Опоры освещения
    • Светильники
    • Лампы(источник света)
    • Пускорегилирующая аппаратура и устройства питания для световых приборов
    • Фонари и переносные световые приборы
    • Трансформаторы для низковольтных систем освещения, блоки защиты ламп
    • Кабельные органайзеры
    • Коммутационные модули
    • Разъемы
    • Коммутационные розетки
    • Оптические панели и аксессуары
    • Патч-корды
    • Оборудование телефонии
    • Клеммы
    • Шинопровод
    • Предохранители
    • Низковольтные устройства различного назначения и аксессуары
    • Контрольно-измерительные устройства
    • Компоненты светосигнальной арматуры
    • Клеммные колодки
    • Измерительные приборы для установки в щит
    • Выключатели нагрузки(рубильники)
    • Щиты и шкафы
    • Системы контроля и учёта энергоресурсов
    • Технологические сенсоры
    • Приводная техника, насосы и электродвигатели
    • Пускорегулирующая аппаратура
    • Низковольтные разъемы
    • Автоматические выключатели
    • Автоматизация
    • Cветосигнальная арматура (кнопки, лампочки, переключатели)
    • Элементы управления для светосигнальной арматуры
    • Устройства оптической(световой) и аккустической(звуковой) сигнализации
    • Периферия и аксессуары
    • Ноутбуки и аксессуары
    • Компьютеры и ПО
    • Воздуховоды и вытяжки
    • Теплый пол
    • Аспирационные системы
    • Монтажные и расходные материалы
    • Защита протечки воды
    • Вентиляторы
    • Бойлеры и аксессуары
    • Системы антиобледенения
    • Обогреватели
    • Терморегуляторы
    • Радиаторы отопления
    • Погодные станции и сплит-системы
    • Отопительные котлы
    • Кабели для ОПС
    • Кабели и провода силовые, контрольные, прочие
    • Огнестойкие кабельные линии (ОКЛ)
    • Ручной инструмент
    • Инструмент для работы с кабелем
    • Аксессуары для электроинструмента
    • Прочий электроинструмент
    • Перфораторы
    • Пилы
    • Шуруповерты
    • Сварочное оборудование
    • Лобзики
    • Измерительные приборы и инструмент
    • Дрели
    • Штукатурно-малярный инструмент
    • Шлифмашинки
    • Граверы
    • Фены (термопистолеты)
    • Фрезеры
    • Пистолеты
    • Отбойные молотки
    • Ножницы по металлу
    • Лестницы и стремянки
    • Заклепочники
    • Гайковерты
    • Гвоздезабиватели (степлеры)
    • Болгарки
    • Аксессуары для пневмоинструмента
    • Электромонтажный инструмент
    • Паяльное оборудование
    • Магнитный инструмент
    • Рубанки
    • Хранение инструмента
    • Строительные пылесосы
    • Спецодежда и СИЗ
    • Инструмент для маркировки
    • Домкраты
    • Трубы для электропроводки и аксессуары
    • Металлорукава и аксессуары
    • Коробки монтажные
    • Металлические лотки и аксессуары
    • Кабель-каналы и аксессуары
    • Системы несущих конструкций
    • Стабилизаторы напряжения
    • Зарядные устройства
    • Дополнительное оборудование
    • Источники бесперебойного питания (ИБП/UPS)
    • Источники питания
    • Генераторные установки (электростанции)
    • Аккумуляторы
    • Трансформаторы
    • Источники электропитания взрывозащищенные
    • Барьеры искрозащиты
    • Системы видеонаблюдения взрывозащищенные
    • Оборудование СКУД взрывозащищенное
    • Модули пожаротушения взрывозащищенные
    • Изделия коммутационные взрывозащищенные
    • Извещатели и оповещатели взрывозащищенные
    • Термошкафы взрывозащищенные
    • Приборы приемно-контрольные взрывозащищенные
    • Прочие взрывозащищенные приборы
    • Телефония и Unified Communications
    • Серверы
    • Программное обеспечение
    • AutoIDC и электронное торговое оборудование
    • Трубопроводная система PEX/EVOH
    • Шаровые краны
    • Балансировочные и термостатические клапаны
    • Коллекторные узлы
    • Приборы учёта
    • Изоляция для труб
    • Стальные панельные радиаторы
    • Котлы
    • Трубопроводная система PEX для водоснабжения
    • Трубопроводная система PPR
    • Приборы учёта
    • Редукторы давления
    • Балансировочные клапаны ГВС
    • Чугунные трубы и фитинги SML К2
    • Канализация ВКПП К1
Акции
Калькулятор ОКЛ
Бренды
Сертификаты дилерства
Как купить
  • Условия оплаты
  • Условия доставки
  • Гарантия на товар
О компании
  • О компании
  • Новости
  • Обучение
  • Мероприятия
  • Участие в выставках
  • Вакансии
  • Сертификаты дилерства
  • Сертификаты соответствия
  • Контакты
Контакты
+  ЕЩЕ
    Каталог
    Электроустановочные изделия
    Электромонтажные изделия
    Умный дом
    Средства и системы охранно-пожарной сигнализации
    Средства и системы охранного телевидения
    Средства пожаротушения
    Средства и системы оповещения, музыкальной трансляции
    Средства и системы контроля и управления доступом (СКУД)
    Сетевое оборудование
    Светотехника
    Оборудование СКС
    Низковольтное оборудование
    Компьютерное оборудование
    Климатическое оборудование
    Кабельно-проводниковая продукция
    Инструмент
    Кабеленесущие системы
    Источники бесперебойного электропитания и АКБ
    Взрывозащищенное оборудование
    IT-направление
    Отопление
    Водоснабжение
    Водоотведение
      • Розетки антенные, информационные, коммуникационные
      • Удлинители, розеточные блоки, разветвители, переходники
      • Электроустановочные устройства разного назначения
      • Выключатели, переключатели и диммеры
      • Вилки кабельные и приборные
      • Звонки, кнопки и аксессуары
      • Рамки, суппорты, адаптеры и декоративные элементы для ЭУИ
      • Аксессуары и компоненты для электроустановочных изделий
      • Выключатели с дистанционным управлением
      • Блоки комбинированные
      • Молниезащита
      • Электроустановочные датчики
      • Устройства управления жалюзи, звуком, сигнализацией, климатом
      • Таймеры
      • Розетки силовые
      • Кабельные наконечники и гильзы
      • Термоусаживаемые трубки
      • Маркировочные изделия
      • Кабельные вводы и сальники
      • Муфты
      • Изолента ПВХ
      • Соединители кабельные
      • Термоусаживаемые ленты
      • Защитные и ведущие системы для кабелей
      • Термоусаживаемые перчатки и капы
      • Пломбы, маркер кабельный
      • Ленты специальные
      • Аэрозоли, смазочные, герметезирующие и защитные составы
      • Лента сигнальная/оградительная
      • Лента монтажная
      • Изолента х/б
      • Сжимы и орехи
      • Разъемы кабельные
      • Трубка ТВ- (кембрик) ПВХ
      • Предупредительные знаки и наклейки
      • Датчики и сенсоры
      • Комплекты умного дома
      • Брелоки и пульты управления
      • Цоколи и патроны, умные лампы
      • Умные розетки, удлинители и выключатели
      • Терморегуляторы
      • Системы передачи извещений
      • Приборы приемно-контрольные
      • Радиоканальные системы
      • Пожарные оповещатели
      • Интегрированная система «ОРИОН» «Болид»
      • Пожарные извещатели и оповещатели
      • Адресная система ОПС «РУБЕЖ»
      • Цифровые системы видеоконтроля
      • Телекамеры
      • Передача сигналов
      • Объективы для камер видеонаблюдения
      • Видеорегистраторы
      • IP-видеосерверы
      • Аксессуары
      • Пожарные шкафы, щиты, подставки
      • Прочие средства пожаротушения
      • Огнетушители
      • Пенное пожаротушение
      • Порошковое пожаротушение
      • Модули ТРВ (тонко-распыленная вода)
      • Газовое пожаротушение
      • Аэрозольное пожаротушение
      • Пожарные рукава и арматура (головки, клапана, стволы)
      • Водяное пожаротушение
      • Автономные огнетушители
      • Системы оповещения о пожаре
      • Системы оповещения, музыкальной трансляции
      • Оборудование для защиты информации
      • Кнопки выхода
      • Доводчики
      • Биометрические СКУД
      • Ограждения
      • Готовые решения СКУД
      • Контроль периметра
      • Зеркала безопасности
      • Шлагбаумы и автоматика
      • Устройства для печати на пластиковых картах
      • Турникеты
      • Считыватели
      • СКУД автономные
      • СКУД сетевые
      • Калитки
      • Замки и электромеханические защелки
      • Идентификаторы
      • Досмотровое оборудование
      • Домофоны и переговорные устройства
      • Светофоры
      • Трансиверы (SFP-модули)
      • Программное обеспечение для сетевого оборудования
      • Прочее сетевое оборудование
      • Инжекторы и сплиттеры PoE
      • Оборудование для усиления сотовой связи
      • Модемы
      • Антенны
      • Удлинители Ethernet
      • Системы диспетчерской связи и вызова персонала
      • Сетевые коммутаторы
      • Оборудование Wi-Fi
      • Медиаконвертеры
      • Средства защиты информации
      • Сетевые адаптеры
      • Рации и аксессуары
      • Преобразователи интерфейса
      • Часофикация
      • Аварийное и ориентационное освещение
      • Световые шнуры, светодиодные ленты и комплектующие
      • Аксессуары для светотехники и вспомогательное оборудование
      • Прожекторы и светильники направленного света
      • Патроны(ламподержатели)
      • Иллюминация и декоративное освещение
      • Взрывобезопасные световые приборы
      • Оптоволоконные и струнные системы освещения
      • Опоры освещения
      • Светильники
      • Лампы(источник света)
      • Пускорегилирующая аппаратура и устройства питания для световых приборов
      • Фонари и переносные световые приборы
      • Трансформаторы для низковольтных систем освещения, блоки защиты ламп
      • Кабельные органайзеры
      • Коммутационные модули
      • Разъемы
      • Коммутационные розетки
      • Оптические панели и аксессуары
      • Патч-корды
      • Оборудование телефонии
      • Клеммы
      • Шинопровод
      • Предохранители
      • Низковольтные устройства различного назначения и аксессуары
      • Контрольно-измерительные устройства
      • Компоненты светосигнальной арматуры
      • Клеммные колодки
      • Измерительные приборы для установки в щит
      • Выключатели нагрузки(рубильники)
      • Щиты и шкафы
      • Системы контроля и учёта энергоресурсов
      • Технологические сенсоры
      • Приводная техника, насосы и электродвигатели
      • Пускорегулирующая аппаратура
      • Низковольтные разъемы
      • Автоматические выключатели
      • Автоматизация
      • Cветосигнальная арматура (кнопки, лампочки, переключатели)
      • Элементы управления для светосигнальной арматуры
      • Устройства оптической(световой) и аккустической(звуковой) сигнализации
      • Периферия и аксессуары
      • Ноутбуки и аксессуары
      • Компьютеры и ПО
      • Воздуховоды и вытяжки
      • Теплый пол
      • Аспирационные системы
      • Монтажные и расходные материалы
      • Защита протечки воды
      • Вентиляторы
      • Бойлеры и аксессуары
      • Системы антиобледенения
      • Обогреватели
      • Терморегуляторы
      • Радиаторы отопления
      • Погодные станции и сплит-системы
      • Отопительные котлы
      • Кабели для ОПС
      • Кабели и провода силовые, контрольные, прочие
      • Огнестойкие кабельные линии (ОКЛ)
      • Ручной инструмент
      • Инструмент для работы с кабелем
      • Аксессуары для электроинструмента
      • Прочий электроинструмент
      • Перфораторы
      • Пилы
      • Шуруповерты
      • Сварочное оборудование
      • Лобзики
      • Измерительные приборы и инструмент
      • Дрели
      • Штукатурно-малярный инструмент
      • Шлифмашинки
      • Граверы
      • Фены (термопистолеты)
      • Фрезеры
      • Пистолеты
      • Отбойные молотки
      • Ножницы по металлу
      • Лестницы и стремянки
      • Заклепочники
      • Гайковерты
      • Гвоздезабиватели (степлеры)
      • Болгарки
      • Аксессуары для пневмоинструмента
      • Электромонтажный инструмент
      • Паяльное оборудование
      • Магнитный инструмент
      • Рубанки
      • Хранение инструмента
      • Строительные пылесосы
      • Спецодежда и СИЗ
      • Инструмент для маркировки
      • Домкраты
      • Трубы для электропроводки и аксессуары
      • Металлорукава и аксессуары
      • Коробки монтажные
      • Металлические лотки и аксессуары
      • Кабель-каналы и аксессуары
      • Системы несущих конструкций
      • Стабилизаторы напряжения
      • Зарядные устройства
      • Дополнительное оборудование
      • Источники бесперебойного питания (ИБП/UPS)
      • Источники питания
      • Генераторные установки (электростанции)
      • Аккумуляторы
      • Трансформаторы
      • Источники электропитания взрывозащищенные
      • Барьеры искрозащиты
      • Системы видеонаблюдения взрывозащищенные
      • Оборудование СКУД взрывозащищенное
      • Модули пожаротушения взрывозащищенные
      • Изделия коммутационные взрывозащищенные
      • Извещатели и оповещатели взрывозащищенные
      • Термошкафы взрывозащищенные
      • Приборы приемно-контрольные взрывозащищенные
      • Прочие взрывозащищенные приборы
      • Телефония и Unified Communications
      • Серверы
      • Программное обеспечение
      • AutoIDC и электронное торговое оборудование
      • Трубопроводная система PEX/EVOH
      • Шаровые краны
      • Балансировочные и термостатические клапаны
      • Коллекторные узлы
      • Приборы учёта
      • Изоляция для труб
      • Стальные панельные радиаторы
      • Котлы
      • Трубопроводная система PEX для водоснабжения
      • Трубопроводная система PPR
      • Приборы учёта
      • Редукторы давления
      • Балансировочные клапаны ГВС
      • Чугунные трубы и фитинги SML К2
      • Канализация ВКПП К1
    Акции
    Калькулятор ОКЛ
    Бренды
    Сертификаты дилерства
    Как купить
    • Условия оплаты
    • Условия доставки
    • Гарантия на товар
    О компании
    • О компании
    • Новости
    • Обучение
    • Мероприятия
    • Участие в выставках
    • Вакансии
    • Сертификаты дилерства
    • Сертификаты соответствия
    • Контакты
    Контакты
    +  ЕЩЕ
      Телефоны
      +7 (499) 340-14-78Для оптовых покупателей
      +7 (800) 550-20-81Для оптовых покупателей
      +7 (499) 272-04-37Для поставщиков и оптовых покупателей
      +7 (985) 051-96-09Ремонт
      +7 (916) 017-84-41
      Заказать звонок
      • Каталог
        • Назад
        • Каталог
        • Электроустановочные изделия
          • Назад
          • Электроустановочные изделия
          • Розетки антенные, информационные, коммуникационные
          • Удлинители, розеточные блоки, разветвители, переходники
          • Электроустановочные устройства разного назначения
          • Выключатели, переключатели и диммеры
          • Вилки кабельные и приборные
          • Звонки, кнопки и аксессуары
          • Рамки, суппорты, адаптеры и декоративные элементы для ЭУИ
          • Аксессуары и компоненты для электроустановочных изделий
          • Выключатели с дистанционным управлением
          • Блоки комбинированные
          • Молниезащита
          • Электроустановочные датчики
          • Устройства управления жалюзи, звуком, сигнализацией, климатом
          • Таймеры
          • Розетки силовые
        • Электромонтажные изделия
          • Назад
          • Электромонтажные изделия
          • Кабельные наконечники и гильзы
          • Термоусаживаемые трубки
          • Маркировочные изделия
          • Кабельные вводы и сальники
          • Муфты
          • Изолента ПВХ
          • Соединители кабельные
          • Термоусаживаемые ленты
          • Защитные и ведущие системы для кабелей
          • Термоусаживаемые перчатки и капы
          • Пломбы, маркер кабельный
          • Ленты специальные
          • Аэрозоли, смазочные, герметезирующие и защитные составы
          • Лента сигнальная/оградительная
          • Лента монтажная
          • Изолента х/б
          • Сжимы и орехи
          • Разъемы кабельные
          • Трубка ТВ- (кембрик) ПВХ
          • Предупредительные знаки и наклейки
        • Умный дом
          • Назад
          • Умный дом
          • Датчики и сенсоры
          • Комплекты умного дома
          • Брелоки и пульты управления
          • Цоколи и патроны, умные лампы
          • Умные розетки, удлинители и выключатели
          • Терморегуляторы
        • Средства и системы охранно-пожарной сигнализации
          • Назад
          • Средства и системы охранно-пожарной сигнализации
          • Системы передачи извещений
          • Приборы приемно-контрольные
          • Радиоканальные системы
          • Пожарные оповещатели
          • Интегрированная система «ОРИОН» «Болид»
          • Пожарные извещатели и оповещатели
          • Адресная система ОПС «РУБЕЖ»
        • Средства и системы охранного телевидения
          • Назад
          • Средства и системы охранного телевидения
          • Цифровые системы видеоконтроля
          • Телекамеры
          • Передача сигналов
          • Объективы для камер видеонаблюдения
          • Видеорегистраторы
          • IP-видеосерверы
          • Аксессуары
        • Средства пожаротушения
          • Назад
          • Средства пожаротушения
          • Пожарные шкафы, щиты, подставки
          • Прочие средства пожаротушения
          • Огнетушители
          • Пенное пожаротушение
          • Порошковое пожаротушение
          • Модули ТРВ (тонко-распыленная вода)
          • Газовое пожаротушение
          • Аэрозольное пожаротушение
          • Пожарные рукава и арматура (головки, клапана, стволы)
          • Водяное пожаротушение
          • Автономные огнетушители
        • Средства и системы оповещения, музыкальной трансляции
          • Назад
          • Средства и системы оповещения, музыкальной трансляции
          • Системы оповещения о пожаре
          • Системы оповещения, музыкальной трансляции
          • Оборудование для защиты информации
        • Средства и системы контроля и управления доступом (СКУД)
          • Назад
          • Средства и системы контроля и управления доступом (СКУД)
          • Кнопки выхода
          • Доводчики
          • Биометрические СКУД
          • Ограждения
          • Готовые решения СКУД
          • Контроль периметра
          • Зеркала безопасности
          • Шлагбаумы и автоматика
          • Устройства для печати на пластиковых картах
          • Турникеты
          • Считыватели
          • СКУД автономные
          • СКУД сетевые
          • Калитки
          • Замки и электромеханические защелки
          • Идентификаторы
          • Досмотровое оборудование
          • Домофоны и переговорные устройства
          • Светофоры
        • Сетевое оборудование
          • Назад
          • Сетевое оборудование
          • Трансиверы (SFP-модули)
          • Программное обеспечение для сетевого оборудования
          • Прочее сетевое оборудование
          • Инжекторы и сплиттеры PoE
          • Оборудование для усиления сотовой связи
          • Модемы
          • Антенны
          • Удлинители Ethernet
          • Системы диспетчерской связи и вызова персонала
          • Сетевые коммутаторы
          • Оборудование Wi-Fi
          • Медиаконвертеры
          • Средства защиты информации
          • Сетевые адаптеры
          • Рации и аксессуары
          • Преобразователи интерфейса
          • Часофикация
        • Светотехника
          • Назад
          • Светотехника
          • Аварийное и ориентационное освещение
          • Световые шнуры, светодиодные ленты и комплектующие
          • Аксессуары для светотехники и вспомогательное оборудование
          • Прожекторы и светильники направленного света
          • Патроны(ламподержатели)
          • Иллюминация и декоративное освещение
          • Взрывобезопасные световые приборы
          • Оптоволоконные и струнные системы освещения
          • Опоры освещения
          • Светильники
          • Лампы(источник света)
          • Пускорегилирующая аппаратура и устройства питания для световых приборов
          • Фонари и переносные световые приборы
          • Трансформаторы для низковольтных систем освещения, блоки защиты ламп
        • Оборудование СКС
          • Назад
          • Оборудование СКС
          • Кабельные органайзеры
          • Коммутационные модули
          • Разъемы
          • Коммутационные розетки
          • Оптические панели и аксессуары
          • Патч-корды
          • Оборудование телефонии
        • Низковольтное оборудование
          • Назад
          • Низковольтное оборудование
          • Клеммы
          • Шинопровод
          • Предохранители
          • Низковольтные устройства различного назначения и аксессуары
          • Контрольно-измерительные устройства
          • Компоненты светосигнальной арматуры
          • Клеммные колодки
          • Измерительные приборы для установки в щит
          • Выключатели нагрузки(рубильники)
          • Щиты и шкафы
          • Системы контроля и учёта энергоресурсов
          • Технологические сенсоры
          • Приводная техника, насосы и электродвигатели
          • Пускорегулирующая аппаратура
          • Низковольтные разъемы
          • Автоматические выключатели
          • Автоматизация
          • Cветосигнальная арматура (кнопки, лампочки, переключатели)
          • Элементы управления для светосигнальной арматуры
          • Устройства оптической(световой) и аккустической(звуковой) сигнализации
        • Компьютерное оборудование
          • Назад
          • Компьютерное оборудование
          • Периферия и аксессуары
          • Ноутбуки и аксессуары
          • Компьютеры и ПО
        • Климатическое оборудование
          • Назад
          • Климатическое оборудование
          • Воздуховоды и вытяжки
          • Теплый пол
          • Аспирационные системы
          • Монтажные и расходные материалы
          • Защита протечки воды
          • Вентиляторы
          • Бойлеры и аксессуары
          • Системы антиобледенения
          • Обогреватели
          • Терморегуляторы
          • Радиаторы отопления
          • Погодные станции и сплит-системы
          • Отопительные котлы
        • Кабельно-проводниковая продукция
          • Назад
          • Кабельно-проводниковая продукция
          • Кабели для ОПС
          • Кабели и провода силовые, контрольные, прочие
          • Огнестойкие кабельные линии (ОКЛ)
        • Инструмент
          • Назад
          • Инструмент
          • Ручной инструмент
          • Инструмент для работы с кабелем
          • Аксессуары для электроинструмента
          • Прочий электроинструмент
          • Перфораторы
          • Пилы
          • Шуруповерты
          • Сварочное оборудование
          • Лобзики
          • Измерительные приборы и инструмент
          • Дрели
          • Штукатурно-малярный инструмент
          • Шлифмашинки
          • Граверы
          • Фены (термопистолеты)
          • Фрезеры
          • Пистолеты
          • Отбойные молотки
          • Ножницы по металлу
          • Лестницы и стремянки
          • Заклепочники
          • Гайковерты
          • Гвоздезабиватели (степлеры)
          • Болгарки
          • Аксессуары для пневмоинструмента
          • Электромонтажный инструмент
          • Паяльное оборудование
          • Магнитный инструмент
          • Рубанки
          • Хранение инструмента
          • Строительные пылесосы
          • Спецодежда и СИЗ
          • Инструмент для маркировки
          • Домкраты
        • Кабеленесущие системы
          • Назад
          • Кабеленесущие системы
          • Трубы для электропроводки и аксессуары
          • Металлорукава и аксессуары
          • Коробки монтажные
          • Металлические лотки и аксессуары
          • Кабель-каналы и аксессуары
          • Системы несущих конструкций
        • Источники бесперебойного электропитания и АКБ
          • Назад
          • Источники бесперебойного электропитания и АКБ
          • Стабилизаторы напряжения
          • Зарядные устройства
          • Дополнительное оборудование
          • Источники бесперебойного питания (ИБП/UPS)
          • Источники питания
          • Генераторные установки (электростанции)
          • Аккумуляторы
          • Трансформаторы
        • Взрывозащищенное оборудование
          • Назад
          • Взрывозащищенное оборудование
          • Источники электропитания взрывозащищенные
          • Барьеры искрозащиты
          • Системы видеонаблюдения взрывозащищенные
          • Оборудование СКУД взрывозащищенное
          • Модули пожаротушения взрывозащищенные
          • Изделия коммутационные взрывозащищенные
          • Извещатели и оповещатели взрывозащищенные
          • Термошкафы взрывозащищенные
          • Приборы приемно-контрольные взрывозащищенные
          • Прочие взрывозащищенные приборы
        • IT-направление
          • Назад
          • IT-направление
          • Телефония и Unified Communications
          • Серверы
          • Программное обеспечение
          • AutoIDC и электронное торговое оборудование
        • Отопление
          • Назад
          • Отопление
          • Трубопроводная система PEX/EVOH
          • Шаровые краны
          • Балансировочные и термостатические клапаны
          • Коллекторные узлы
          • Приборы учёта
          • Изоляция для труб
          • Стальные панельные радиаторы
          • Котлы
        • Водоснабжение
          • Назад
          • Водоснабжение
          • Трубопроводная система PEX для водоснабжения
          • Трубопроводная система PPR
          • Приборы учёта
          • Редукторы давления
          • Балансировочные клапаны ГВС
        • Водоотведение
          • Назад
          • Водоотведение
          • Чугунные трубы и фитинги SML К2
          • Канализация ВКПП К1
      • Акции
      • Калькулятор ОКЛ
      • Бренды
      • Сертификаты дилерства
      • Как купить
        • Назад
        • Как купить
        • Условия оплаты
        • Условия доставки
        • Гарантия на товар
      • О компании
        • Назад
        • О компании
        • О компании
        • Новости
        • Обучение
        • Мероприятия
        • Участие в выставках
        • Вакансии
        • Сертификаты дилерства
        • Сертификаты соответствия
        • Контакты
      • Контакты
      • +7 (499) 340-14-78Для оптовых покупателей
        • Назад
        • Телефоны
        • +7 (499) 340-14-78Для оптовых покупателей
        • +7 (800) 550-20-81Для оптовых покупателей
        • +7 (499) 272-04-37Для поставщиков и оптовых покупателей
        • +7 (985) 051-96-09Ремонт
        • +7 (916) 017-84-41
        • Заказать звонок
      Контактная информация
      г. Москва, ул. Снежная, д. 26.
      Мы в соцсетях: t.me/msb_ru
      info@mossb.ru
      • Telegram
      • WhatsApp
      Бесплатно подберем оборудование по Вашей заявке.
      При закупке уточняйте цены в отделе продаж в связи с нестабильностью курсов валют

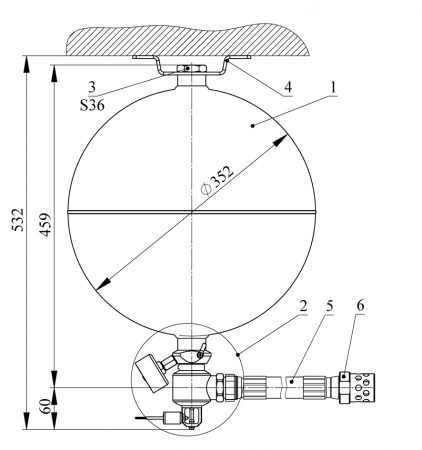
      Крепление настенное (МГП "Импульс-20/20-Т")

      Главная
      —
      Каталог
      —
      Средства пожаротушения
      —
      Порошковое пожаротушение
      —
      Комплектующие и аксессуары
      —Крепление настенное (МГП "Импульс-20/20-Т")
      Крепление настенное (МГП "Импульс-20/20-Т")
      Крепление настенное (МГП "Импульс-20/20-Т")
      Артикул: 01093600032
      Импульс
      Предназначено для МГП "Импульс-20/20-Т"
      Характеристики
      Наименование упаковки
      —
      шт.
      Безразмерная
      —
      Y

      Пришлите заказ на почту info@mossb.ru
      Все товары категории
      Все товары бренда Импульс

      Нужна консультация?

      Наши специалисты ответят на любой интересующий вопрос
      Задать вопрос
      Каталог
      Акции
      Бренды
      Калькулятор ОКЛ
      Компания
      О компании
      Новости
      Обучение
      Мероприятия
      Участие в выставках
      Вакансии
      Сертификаты дилерства
      Сертификаты соответствия
      Контакты
      Информация
      Условия оплаты
      Условия доставки
      Гарантия на товар
      Реквизиты
      Политика конфиденциальности
      Положение об антикоррупционной политике
      Карта сайта
      Сервис
      Возврат оборудования
      Гарантийное и сервисное обслуживание
      Подписаться на рассылку
      +7 (499) 340-14-78
      +7 (499) 340-14-78Для оптовых покупателей
      +7 (800) 550-20-81Для оптовых покупателей
      +7 (499) 272-04-37Для поставщиков и оптовых покупателей
      +7 (985) 051-96-09Ремонт
      +7 (916) 017-84-41
      info@mossb.ru
      г. Москва, ул. Снежная, д. 26.
      Мы в соцсетях: t.me/msb_ru
      • Telegram
      • WhatsApp
      2025 © Гарантия низких цен и быстрой отгрузки