Каталог
Электроустановочные изделия
Розетки антенные, информационные, коммуникационные
Удлинители, розеточные блоки, разветвители, переходники
Электроустановочные устройства разного назначения
Выключатели, переключатели и диммеры
Вилки кабельные и приборные
Звонки, кнопки и аксессуары
Рамки, суппорты, адаптеры и декоративные элементы для ЭУИ
Аксессуары и компоненты для электроустановочных изделий
Выключатели с дистанционным управлением
Блоки комбинированные
Молниезащита
Электроустановочные датчики
Устройства управления жалюзи, звуком, сигнализацией, климатом
Таймеры
Розетки силовые
Электромонтажные изделия
Кабельные наконечники и гильзы
Термоусаживаемые трубки
Маркировочные изделия
Кабельные вводы и сальники
Муфты
Изолента ПВХ
Соединители кабельные
Термоусаживаемые ленты
Защитные и ведущие системы для кабелей
Термоусаживаемые перчатки и капы
Пломбы, маркер кабельный
Ленты специальные
Аэрозоли, смазочные, герметезирующие и защитные составы
Лента сигнальная/оградительная
Лента монтажная
Изолента х/б
Сжимы и орехи
Разъемы кабельные
Трубка ТВ- (кембрик) ПВХ
Предупредительные знаки и наклейки
Умный дом
Датчики и сенсоры
Комплекты умного дома
Брелоки и пульты управления
Цоколи и патроны, умные лампы
Умные розетки, удлинители и выключатели
Терморегуляторы
Средства и системы охранно-пожарной сигнализации
Системы передачи извещений
Приборы приемно-контрольные
Радиоканальные системы
Пожарные оповещатели
Интегрированная система «ОРИОН» «Болид»
Пожарные извещатели и оповещатели
Адресная система ОПС «РУБЕЖ»
Средства и системы охранного телевидения
Цифровые системы видеоконтроля
Телекамеры
Передача сигналов
Объективы для камер видеонаблюдения
Видеорегистраторы
IP-видеосерверы
Аксессуары
Средства пожаротушения
Пожарные шкафы, щиты, подставки
Прочие средства пожаротушения
Огнетушители
Пенное пожаротушение
Порошковое пожаротушение
Модули ТРВ (тонко-распыленная вода)
Газовое пожаротушение
Аэрозольное пожаротушение
Пожарные рукава и арматура (головки, клапана, стволы)
Водяное пожаротушение
Автономные огнетушители
Средства и системы оповещения, музыкальной трансляции
Системы оповещения о пожаре
Системы оповещения, музыкальной трансляции
Оборудование для защиты информации
Средства и системы контроля и управления доступом (СКУД)
Кнопки выхода
Доводчики
Биометрические СКУД
Ограждения
Готовые решения СКУД
Контроль периметра
Зеркала безопасности
Шлагбаумы и автоматика
Устройства для печати на пластиковых картах
Турникеты
Считыватели
СКУД автономные
СКУД сетевые
Калитки
Замки и электромеханические защелки
Идентификаторы
Досмотровое оборудование
Домофоны и переговорные устройства
Светофоры
Сетевое оборудование
Трансиверы (SFP-модули)
Программное обеспечение для сетевого оборудования
Прочее сетевое оборудование
Инжекторы и сплиттеры PoE
Оборудование для усиления сотовой связи
Модемы
Антенны
Удлинители Ethernet
Системы диспетчерской связи и вызова персонала
Сетевые коммутаторы
Оборудование Wi-Fi
Медиаконвертеры
Средства защиты информации
Сетевые адаптеры
Рации и аксессуары
Преобразователи интерфейса
Часофикация
Светотехника
Аварийное и ориентационное освещение
Световые шнуры, светодиодные ленты и комплектующие
Аксессуары для светотехники и вспомогательное оборудование
Прожекторы и светильники направленного света
Патроны(ламподержатели)
Иллюминация и декоративное освещение
Взрывобезопасные световые приборы
Оптоволоконные и струнные системы освещения
Опоры освещения
Светильники
Лампы(источник света)
Пускорегилирующая аппаратура и устройства питания для световых приборов
Фонари и переносные световые приборы
Трансформаторы для низковольтных систем освещения, блоки защиты ламп
Оборудование СКС
Кабельные органайзеры
Коммутационные модули
Разъемы
Коммутационные розетки
Оптические панели и аксессуары
Патч-корды
Оборудование телефонии
Низковольтное оборудование
Клеммы
Шинопровод
Предохранители
Низковольтные устройства различного назначения и аксессуары
Контрольно-измерительные устройства
Компоненты светосигнальной арматуры
Клеммные колодки
Измерительные приборы для установки в щит
Выключатели нагрузки(рубильники)
Щиты и шкафы
Системы контроля и учёта энергоресурсов
Технологические сенсоры
Приводная техника, насосы и электродвигатели
Пускорегулирующая аппаратура
Низковольтные разъемы
Автоматические выключатели
Автоматизация
Cветосигнальная арматура (кнопки, лампочки, переключатели)
Элементы управления для светосигнальной арматуры
Устройства оптической(световой) и аккустической(звуковой) сигнализации
Компьютерное оборудование
Периферия и аксессуары
Ноутбуки и аксессуары
Компьютеры и ПО
Климатическое оборудование
Воздуховоды и вытяжки
Теплый пол
Аспирационные системы
Монтажные и расходные материалы
Защита протечки воды
Вентиляторы
Бойлеры и аксессуары
Системы антиобледенения
Обогреватели
Терморегуляторы
Радиаторы отопления
Погодные станции и сплит-системы
Отопительные котлы
Кабельно-проводниковая продукция
Кабели для ОПС
Кабели и провода силовые, контрольные, прочие
Огнестойкие кабельные линии (ОКЛ)
Инструмент
Ручной инструмент
Инструмент для работы с кабелем
Аксессуары для электроинструмента
Прочий электроинструмент
Перфораторы
Пилы
Шуруповерты
Сварочное оборудование
Лобзики
Измерительные приборы и инструмент
Дрели
Штукатурно-малярный инструмент
Шлифмашинки
Граверы
Фены (термопистолеты)
Фрезеры
Пистолеты
Отбойные молотки
Ножницы по металлу
Лестницы и стремянки
Заклепочники
Гайковерты
Гвоздезабиватели (степлеры)
Болгарки
Аксессуары для пневмоинструмента
Электромонтажный инструмент
Паяльное оборудование
Магнитный инструмент
Рубанки
Хранение инструмента
Строительные пылесосы
Спецодежда и СИЗ
Инструмент для маркировки
Домкраты
Кабеленесущие системы
Трубы для электропроводки и аксессуары
Металлорукава и аксессуары
Коробки монтажные
Металлические лотки и аксессуары
Кабель-каналы и аксессуары
Системы несущих конструкций
Источники бесперебойного электропитания и АКБ
Стабилизаторы напряжения
Зарядные устройства
Дополнительное оборудование
Источники бесперебойного питания (ИБП/UPS)
Источники питания
Генераторные установки (электростанции)
Аккумуляторы
Трансформаторы
Взрывозащищенное оборудование
Источники электропитания взрывозащищенные
Барьеры искрозащиты
Системы видеонаблюдения взрывозащищенные
Оборудование СКУД взрывозащищенное
Модули пожаротушения взрывозащищенные
Изделия коммутационные взрывозащищенные
Извещатели и оповещатели взрывозащищенные
Термошкафы взрывозащищенные
Приборы приемно-контрольные взрывозащищенные
Прочие взрывозащищенные приборы
IT-направление
Телефония и Unified Communications
Серверы
Программное обеспечение
AutoIDC и электронное торговое оборудование
Отопление
Трубопроводная система PEX/EVOH
Шаровые краны
Балансировочные и термостатические клапаны
Коллекторные узлы
Приборы учёта
Изоляция для труб
Стальные панельные радиаторы
Котлы
Водоснабжение
Трубопроводная система PEX для водоснабжения
Трубопроводная система PPR
Приборы учёта
Редукторы давления
Балансировочные клапаны ГВС
Водоотведение
Чугунные трубы и фитинги SML К2
Канализация ВКПП К1
Акции
Калькулятор ОКЛ
Бренды
Сертификаты дилерства
Как купить
Условия оплаты
Условия доставки
Гарантия на товар
О компании
О компании
Новости
Обучение
Мероприятия
Участие в выставках
Вакансии
Сертификаты дилерства
Сертификаты соответствия
Контакты
Контакты
+7 (499) 340-14-78
+7 (499) 340-14-78Для оптовых покупателей
+7 (800) 550-20-81Для оптовых покупателей
+7 (499) 272-04-37Для поставщиков и оптовых покупателей
+7 (985) 051-96-09Ремонт
+7 (916) 017-84-41
Заказать звонок
Задать вопрос
info@mossb.ru
г. Москва, ул. Снежная, д. 26.
Мы в соцсетях: t.me/msb_ru
  • Telegram
  • WhatsApp
info@mossb.ru
Пн. – Пт.: с 9:00 до 18:00
+7 (499) 340-14-78
+7 (499) 340-14-78Для оптовых покупателей
+7 (800) 550-20-81Для оптовых покупателей
+7 (499) 272-04-37Для поставщиков и оптовых покупателей
+7 (985) 051-96-09Ремонт
+7 (916) 017-84-41
Заказать звонок
Каталог
Электроустановочные изделия
Электромонтажные изделия
Умный дом
Средства и системы охранно-пожарной сигнализации
Средства и системы охранного телевидения
Средства пожаротушения
Средства и системы оповещения, музыкальной трансляции
Средства и системы контроля и управления доступом (СКУД)
Сетевое оборудование
Светотехника
Оборудование СКС
Низковольтное оборудование
Компьютерное оборудование
Климатическое оборудование
Кабельно-проводниковая продукция
Инструмент
Кабеленесущие системы
Источники бесперебойного электропитания и АКБ
Взрывозащищенное оборудование
IT-направление
Отопление
Водоснабжение
Водоотведение
    • Розетки антенные, информационные, коммуникационные
    • Удлинители, розеточные блоки, разветвители, переходники
    • Электроустановочные устройства разного назначения
    • Выключатели, переключатели и диммеры
    • Вилки кабельные и приборные
    • Звонки, кнопки и аксессуары
    • Рамки, суппорты, адаптеры и декоративные элементы для ЭУИ
    • Аксессуары и компоненты для электроустановочных изделий
    • Выключатели с дистанционным управлением
    • Блоки комбинированные
    • Молниезащита
    • Электроустановочные датчики
    • Устройства управления жалюзи, звуком, сигнализацией, климатом
    • Таймеры
    • Розетки силовые
    • Кабельные наконечники и гильзы
    • Термоусаживаемые трубки
    • Маркировочные изделия
    • Кабельные вводы и сальники
    • Муфты
    • Изолента ПВХ
    • Соединители кабельные
    • Термоусаживаемые ленты
    • Защитные и ведущие системы для кабелей
    • Термоусаживаемые перчатки и капы
    • Пломбы, маркер кабельный
    • Ленты специальные
    • Аэрозоли, смазочные, герметезирующие и защитные составы
    • Лента сигнальная/оградительная
    • Лента монтажная
    • Изолента х/б
    • Сжимы и орехи
    • Разъемы кабельные
    • Трубка ТВ- (кембрик) ПВХ
    • Предупредительные знаки и наклейки
    • Датчики и сенсоры
    • Комплекты умного дома
    • Брелоки и пульты управления
    • Цоколи и патроны, умные лампы
    • Умные розетки, удлинители и выключатели
    • Терморегуляторы
    • Системы передачи извещений
    • Приборы приемно-контрольные
    • Радиоканальные системы
    • Пожарные оповещатели
    • Интегрированная система «ОРИОН» «Болид»
    • Пожарные извещатели и оповещатели
    • Адресная система ОПС «РУБЕЖ»
    • Цифровые системы видеоконтроля
    • Телекамеры
    • Передача сигналов
    • Объективы для камер видеонаблюдения
    • Видеорегистраторы
    • IP-видеосерверы
    • Аксессуары
    • Пожарные шкафы, щиты, подставки
    • Прочие средства пожаротушения
    • Огнетушители
    • Пенное пожаротушение
    • Порошковое пожаротушение
    • Модули ТРВ (тонко-распыленная вода)
    • Газовое пожаротушение
    • Аэрозольное пожаротушение
    • Пожарные рукава и арматура (головки, клапана, стволы)
    • Водяное пожаротушение
    • Автономные огнетушители
    • Системы оповещения о пожаре
    • Системы оповещения, музыкальной трансляции
    • Оборудование для защиты информации
    • Кнопки выхода
    • Доводчики
    • Биометрические СКУД
    • Ограждения
    • Готовые решения СКУД
    • Контроль периметра
    • Зеркала безопасности
    • Шлагбаумы и автоматика
    • Устройства для печати на пластиковых картах
    • Турникеты
    • Считыватели
    • СКУД автономные
    • СКУД сетевые
    • Калитки
    • Замки и электромеханические защелки
    • Идентификаторы
    • Досмотровое оборудование
    • Домофоны и переговорные устройства
    • Светофоры
    • Трансиверы (SFP-модули)
    • Программное обеспечение для сетевого оборудования
    • Прочее сетевое оборудование
    • Инжекторы и сплиттеры PoE
    • Оборудование для усиления сотовой связи
    • Модемы
    • Антенны
    • Удлинители Ethernet
    • Системы диспетчерской связи и вызова персонала
    • Сетевые коммутаторы
    • Оборудование Wi-Fi
    • Медиаконвертеры
    • Средства защиты информации
    • Сетевые адаптеры
    • Рации и аксессуары
    • Преобразователи интерфейса
    • Часофикация
    • Аварийное и ориентационное освещение
    • Световые шнуры, светодиодные ленты и комплектующие
    • Аксессуары для светотехники и вспомогательное оборудование
    • Прожекторы и светильники направленного света
    • Патроны(ламподержатели)
    • Иллюминация и декоративное освещение
    • Взрывобезопасные световые приборы
    • Оптоволоконные и струнные системы освещения
    • Опоры освещения
    • Светильники
    • Лампы(источник света)
    • Пускорегилирующая аппаратура и устройства питания для световых приборов
    • Фонари и переносные световые приборы
    • Трансформаторы для низковольтных систем освещения, блоки защиты ламп
    • Кабельные органайзеры
    • Коммутационные модули
    • Разъемы
    • Коммутационные розетки
    • Оптические панели и аксессуары
    • Патч-корды
    • Оборудование телефонии
    • Клеммы
    • Шинопровод
    • Предохранители
    • Низковольтные устройства различного назначения и аксессуары
    • Контрольно-измерительные устройства
    • Компоненты светосигнальной арматуры
    • Клеммные колодки
    • Измерительные приборы для установки в щит
    • Выключатели нагрузки(рубильники)
    • Щиты и шкафы
    • Системы контроля и учёта энергоресурсов
    • Технологические сенсоры
    • Приводная техника, насосы и электродвигатели
    • Пускорегулирующая аппаратура
    • Низковольтные разъемы
    • Автоматические выключатели
    • Автоматизация
    • Cветосигнальная арматура (кнопки, лампочки, переключатели)
    • Элементы управления для светосигнальной арматуры
    • Устройства оптической(световой) и аккустической(звуковой) сигнализации
    • Периферия и аксессуары
    • Ноутбуки и аксессуары
    • Компьютеры и ПО
    • Воздуховоды и вытяжки
    • Теплый пол
    • Аспирационные системы
    • Монтажные и расходные материалы
    • Защита протечки воды
    • Вентиляторы
    • Бойлеры и аксессуары
    • Системы антиобледенения
    • Обогреватели
    • Терморегуляторы
    • Радиаторы отопления
    • Погодные станции и сплит-системы
    • Отопительные котлы
    • Кабели для ОПС
    • Кабели и провода силовые, контрольные, прочие
    • Огнестойкие кабельные линии (ОКЛ)
    • Ручной инструмент
    • Инструмент для работы с кабелем
    • Аксессуары для электроинструмента
    • Прочий электроинструмент
    • Перфораторы
    • Пилы
    • Шуруповерты
    • Сварочное оборудование
    • Лобзики
    • Измерительные приборы и инструмент
    • Дрели
    • Штукатурно-малярный инструмент
    • Шлифмашинки
    • Граверы
    • Фены (термопистолеты)
    • Фрезеры
    • Пистолеты
    • Отбойные молотки
    • Ножницы по металлу
    • Лестницы и стремянки
    • Заклепочники
    • Гайковерты
    • Гвоздезабиватели (степлеры)
    • Болгарки
    • Аксессуары для пневмоинструмента
    • Электромонтажный инструмент
    • Паяльное оборудование
    • Магнитный инструмент
    • Рубанки
    • Хранение инструмента
    • Строительные пылесосы
    • Спецодежда и СИЗ
    • Инструмент для маркировки
    • Домкраты
    • Трубы для электропроводки и аксессуары
    • Металлорукава и аксессуары
    • Коробки монтажные
    • Металлические лотки и аксессуары
    • Кабель-каналы и аксессуары
    • Системы несущих конструкций
    • Стабилизаторы напряжения
    • Зарядные устройства
    • Дополнительное оборудование
    • Источники бесперебойного питания (ИБП/UPS)
    • Источники питания
    • Генераторные установки (электростанции)
    • Аккумуляторы
    • Трансформаторы
    • Источники электропитания взрывозащищенные
    • Барьеры искрозащиты
    • Системы видеонаблюдения взрывозащищенные
    • Оборудование СКУД взрывозащищенное
    • Модули пожаротушения взрывозащищенные
    • Изделия коммутационные взрывозащищенные
    • Извещатели и оповещатели взрывозащищенные
    • Термошкафы взрывозащищенные
    • Приборы приемно-контрольные взрывозащищенные
    • Прочие взрывозащищенные приборы
    • Телефония и Unified Communications
    • Серверы
    • Программное обеспечение
    • AutoIDC и электронное торговое оборудование
    • Трубопроводная система PEX/EVOH
    • Шаровые краны
    • Балансировочные и термостатические клапаны
    • Коллекторные узлы
    • Приборы учёта
    • Изоляция для труб
    • Стальные панельные радиаторы
    • Котлы
    • Трубопроводная система PEX для водоснабжения
    • Трубопроводная система PPR
    • Приборы учёта
    • Редукторы давления
    • Балансировочные клапаны ГВС
    • Чугунные трубы и фитинги SML К2
    • Канализация ВКПП К1
Акции
Калькулятор ОКЛ
Бренды
Сертификаты дилерства
Как купить
  • Условия оплаты
  • Условия доставки
  • Гарантия на товар
О компании
  • О компании
  • Новости
  • Обучение
  • Мероприятия
  • Участие в выставках
  • Вакансии
  • Сертификаты дилерства
  • Сертификаты соответствия
  • Контакты
Контакты
+  ЕЩЕ
    Каталог
    Электроустановочные изделия
    Электромонтажные изделия
    Умный дом
    Средства и системы охранно-пожарной сигнализации
    Средства и системы охранного телевидения
    Средства пожаротушения
    Средства и системы оповещения, музыкальной трансляции
    Средства и системы контроля и управления доступом (СКУД)
    Сетевое оборудование
    Светотехника
    Оборудование СКС
    Низковольтное оборудование
    Компьютерное оборудование
    Климатическое оборудование
    Кабельно-проводниковая продукция
    Инструмент
    Кабеленесущие системы
    Источники бесперебойного электропитания и АКБ
    Взрывозащищенное оборудование
    IT-направление
    Отопление
    Водоснабжение
    Водоотведение
      • Розетки антенные, информационные, коммуникационные
      • Удлинители, розеточные блоки, разветвители, переходники
      • Электроустановочные устройства разного назначения
      • Выключатели, переключатели и диммеры
      • Вилки кабельные и приборные
      • Звонки, кнопки и аксессуары
      • Рамки, суппорты, адаптеры и декоративные элементы для ЭУИ
      • Аксессуары и компоненты для электроустановочных изделий
      • Выключатели с дистанционным управлением
      • Блоки комбинированные
      • Молниезащита
      • Электроустановочные датчики
      • Устройства управления жалюзи, звуком, сигнализацией, климатом
      • Таймеры
      • Розетки силовые
      • Кабельные наконечники и гильзы
      • Термоусаживаемые трубки
      • Маркировочные изделия
      • Кабельные вводы и сальники
      • Муфты
      • Изолента ПВХ
      • Соединители кабельные
      • Термоусаживаемые ленты
      • Защитные и ведущие системы для кабелей
      • Термоусаживаемые перчатки и капы
      • Пломбы, маркер кабельный
      • Ленты специальные
      • Аэрозоли, смазочные, герметезирующие и защитные составы
      • Лента сигнальная/оградительная
      • Лента монтажная
      • Изолента х/б
      • Сжимы и орехи
      • Разъемы кабельные
      • Трубка ТВ- (кембрик) ПВХ
      • Предупредительные знаки и наклейки
      • Датчики и сенсоры
      • Комплекты умного дома
      • Брелоки и пульты управления
      • Цоколи и патроны, умные лампы
      • Умные розетки, удлинители и выключатели
      • Терморегуляторы
      • Системы передачи извещений
      • Приборы приемно-контрольные
      • Радиоканальные системы
      • Пожарные оповещатели
      • Интегрированная система «ОРИОН» «Болид»
      • Пожарные извещатели и оповещатели
      • Адресная система ОПС «РУБЕЖ»
      • Цифровые системы видеоконтроля
      • Телекамеры
      • Передача сигналов
      • Объективы для камер видеонаблюдения
      • Видеорегистраторы
      • IP-видеосерверы
      • Аксессуары
      • Пожарные шкафы, щиты, подставки
      • Прочие средства пожаротушения
      • Огнетушители
      • Пенное пожаротушение
      • Порошковое пожаротушение
      • Модули ТРВ (тонко-распыленная вода)
      • Газовое пожаротушение
      • Аэрозольное пожаротушение
      • Пожарные рукава и арматура (головки, клапана, стволы)
      • Водяное пожаротушение
      • Автономные огнетушители
      • Системы оповещения о пожаре
      • Системы оповещения, музыкальной трансляции
      • Оборудование для защиты информации
      • Кнопки выхода
      • Доводчики
      • Биометрические СКУД
      • Ограждения
      • Готовые решения СКУД
      • Контроль периметра
      • Зеркала безопасности
      • Шлагбаумы и автоматика
      • Устройства для печати на пластиковых картах
      • Турникеты
      • Считыватели
      • СКУД автономные
      • СКУД сетевые
      • Калитки
      • Замки и электромеханические защелки
      • Идентификаторы
      • Досмотровое оборудование
      • Домофоны и переговорные устройства
      • Светофоры
      • Трансиверы (SFP-модули)
      • Программное обеспечение для сетевого оборудования
      • Прочее сетевое оборудование
      • Инжекторы и сплиттеры PoE
      • Оборудование для усиления сотовой связи
      • Модемы
      • Антенны
      • Удлинители Ethernet
      • Системы диспетчерской связи и вызова персонала
      • Сетевые коммутаторы
      • Оборудование Wi-Fi
      • Медиаконвертеры
      • Средства защиты информации
      • Сетевые адаптеры
      • Рации и аксессуары
      • Преобразователи интерфейса
      • Часофикация
      • Аварийное и ориентационное освещение
      • Световые шнуры, светодиодные ленты и комплектующие
      • Аксессуары для светотехники и вспомогательное оборудование
      • Прожекторы и светильники направленного света
      • Патроны(ламподержатели)
      • Иллюминация и декоративное освещение
      • Взрывобезопасные световые приборы
      • Оптоволоконные и струнные системы освещения
      • Опоры освещения
      • Светильники
      • Лампы(источник света)
      • Пускорегилирующая аппаратура и устройства питания для световых приборов
      • Фонари и переносные световые приборы
      • Трансформаторы для низковольтных систем освещения, блоки защиты ламп
      • Кабельные органайзеры
      • Коммутационные модули
      • Разъемы
      • Коммутационные розетки
      • Оптические панели и аксессуары
      • Патч-корды
      • Оборудование телефонии
      • Клеммы
      • Шинопровод
      • Предохранители
      • Низковольтные устройства различного назначения и аксессуары
      • Контрольно-измерительные устройства
      • Компоненты светосигнальной арматуры
      • Клеммные колодки
      • Измерительные приборы для установки в щит
      • Выключатели нагрузки(рубильники)
      • Щиты и шкафы
      • Системы контроля и учёта энергоресурсов
      • Технологические сенсоры
      • Приводная техника, насосы и электродвигатели
      • Пускорегулирующая аппаратура
      • Низковольтные разъемы
      • Автоматические выключатели
      • Автоматизация
      • Cветосигнальная арматура (кнопки, лампочки, переключатели)
      • Элементы управления для светосигнальной арматуры
      • Устройства оптической(световой) и аккустической(звуковой) сигнализации
      • Периферия и аксессуары
      • Ноутбуки и аксессуары
      • Компьютеры и ПО
      • Воздуховоды и вытяжки
      • Теплый пол
      • Аспирационные системы
      • Монтажные и расходные материалы
      • Защита протечки воды
      • Вентиляторы
      • Бойлеры и аксессуары
      • Системы антиобледенения
      • Обогреватели
      • Терморегуляторы
      • Радиаторы отопления
      • Погодные станции и сплит-системы
      • Отопительные котлы
      • Кабели для ОПС
      • Кабели и провода силовые, контрольные, прочие
      • Огнестойкие кабельные линии (ОКЛ)
      • Ручной инструмент
      • Инструмент для работы с кабелем
      • Аксессуары для электроинструмента
      • Прочий электроинструмент
      • Перфораторы
      • Пилы
      • Шуруповерты
      • Сварочное оборудование
      • Лобзики
      • Измерительные приборы и инструмент
      • Дрели
      • Штукатурно-малярный инструмент
      • Шлифмашинки
      • Граверы
      • Фены (термопистолеты)
      • Фрезеры
      • Пистолеты
      • Отбойные молотки
      • Ножницы по металлу
      • Лестницы и стремянки
      • Заклепочники
      • Гайковерты
      • Гвоздезабиватели (степлеры)
      • Болгарки
      • Аксессуары для пневмоинструмента
      • Электромонтажный инструмент
      • Паяльное оборудование
      • Магнитный инструмент
      • Рубанки
      • Хранение инструмента
      • Строительные пылесосы
      • Спецодежда и СИЗ
      • Инструмент для маркировки
      • Домкраты
      • Трубы для электропроводки и аксессуары
      • Металлорукава и аксессуары
      • Коробки монтажные
      • Металлические лотки и аксессуары
      • Кабель-каналы и аксессуары
      • Системы несущих конструкций
      • Стабилизаторы напряжения
      • Зарядные устройства
      • Дополнительное оборудование
      • Источники бесперебойного питания (ИБП/UPS)
      • Источники питания
      • Генераторные установки (электростанции)
      • Аккумуляторы
      • Трансформаторы
      • Источники электропитания взрывозащищенные
      • Барьеры искрозащиты
      • Системы видеонаблюдения взрывозащищенные
      • Оборудование СКУД взрывозащищенное
      • Модули пожаротушения взрывозащищенные
      • Изделия коммутационные взрывозащищенные
      • Извещатели и оповещатели взрывозащищенные
      • Термошкафы взрывозащищенные
      • Приборы приемно-контрольные взрывозащищенные
      • Прочие взрывозащищенные приборы
      • Телефония и Unified Communications
      • Серверы
      • Программное обеспечение
      • AutoIDC и электронное торговое оборудование
      • Трубопроводная система PEX/EVOH
      • Шаровые краны
      • Балансировочные и термостатические клапаны
      • Коллекторные узлы
      • Приборы учёта
      • Изоляция для труб
      • Стальные панельные радиаторы
      • Котлы
      • Трубопроводная система PEX для водоснабжения
      • Трубопроводная система PPR
      • Приборы учёта
      • Редукторы давления
      • Балансировочные клапаны ГВС
      • Чугунные трубы и фитинги SML К2
      • Канализация ВКПП К1
    Акции
    Калькулятор ОКЛ
    Бренды
    Сертификаты дилерства
    Как купить
    • Условия оплаты
    • Условия доставки
    • Гарантия на товар
    О компании
    • О компании
    • Новости
    • Обучение
    • Мероприятия
    • Участие в выставках
    • Вакансии
    • Сертификаты дилерства
    • Сертификаты соответствия
    • Контакты
    Контакты
    +  ЕЩЕ
      Телефоны
      +7 (499) 340-14-78Для оптовых покупателей
      +7 (800) 550-20-81Для оптовых покупателей
      +7 (499) 272-04-37Для поставщиков и оптовых покупателей
      +7 (985) 051-96-09Ремонт
      +7 (916) 017-84-41
      Заказать звонок
      • Каталог
        • Назад
        • Каталог
        • Электроустановочные изделия
          • Назад
          • Электроустановочные изделия
          • Розетки антенные, информационные, коммуникационные
          • Удлинители, розеточные блоки, разветвители, переходники
          • Электроустановочные устройства разного назначения
          • Выключатели, переключатели и диммеры
          • Вилки кабельные и приборные
          • Звонки, кнопки и аксессуары
          • Рамки, суппорты, адаптеры и декоративные элементы для ЭУИ
          • Аксессуары и компоненты для электроустановочных изделий
          • Выключатели с дистанционным управлением
          • Блоки комбинированные
          • Молниезащита
          • Электроустановочные датчики
          • Устройства управления жалюзи, звуком, сигнализацией, климатом
          • Таймеры
          • Розетки силовые
        • Электромонтажные изделия
          • Назад
          • Электромонтажные изделия
          • Кабельные наконечники и гильзы
          • Термоусаживаемые трубки
          • Маркировочные изделия
          • Кабельные вводы и сальники
          • Муфты
          • Изолента ПВХ
          • Соединители кабельные
          • Термоусаживаемые ленты
          • Защитные и ведущие системы для кабелей
          • Термоусаживаемые перчатки и капы
          • Пломбы, маркер кабельный
          • Ленты специальные
          • Аэрозоли, смазочные, герметезирующие и защитные составы
          • Лента сигнальная/оградительная
          • Лента монтажная
          • Изолента х/б
          • Сжимы и орехи
          • Разъемы кабельные
          • Трубка ТВ- (кембрик) ПВХ
          • Предупредительные знаки и наклейки
        • Умный дом
          • Назад
          • Умный дом
          • Датчики и сенсоры
          • Комплекты умного дома
          • Брелоки и пульты управления
          • Цоколи и патроны, умные лампы
          • Умные розетки, удлинители и выключатели
          • Терморегуляторы
        • Средства и системы охранно-пожарной сигнализации
          • Назад
          • Средства и системы охранно-пожарной сигнализации
          • Системы передачи извещений
          • Приборы приемно-контрольные
          • Радиоканальные системы
          • Пожарные оповещатели
          • Интегрированная система «ОРИОН» «Болид»
          • Пожарные извещатели и оповещатели
          • Адресная система ОПС «РУБЕЖ»
        • Средства и системы охранного телевидения
          • Назад
          • Средства и системы охранного телевидения
          • Цифровые системы видеоконтроля
          • Телекамеры
          • Передача сигналов
          • Объективы для камер видеонаблюдения
          • Видеорегистраторы
          • IP-видеосерверы
          • Аксессуары
        • Средства пожаротушения
          • Назад
          • Средства пожаротушения
          • Пожарные шкафы, щиты, подставки
          • Прочие средства пожаротушения
          • Огнетушители
          • Пенное пожаротушение
          • Порошковое пожаротушение
          • Модули ТРВ (тонко-распыленная вода)
          • Газовое пожаротушение
          • Аэрозольное пожаротушение
          • Пожарные рукава и арматура (головки, клапана, стволы)
          • Водяное пожаротушение
          • Автономные огнетушители
        • Средства и системы оповещения, музыкальной трансляции
          • Назад
          • Средства и системы оповещения, музыкальной трансляции
          • Системы оповещения о пожаре
          • Системы оповещения, музыкальной трансляции
          • Оборудование для защиты информации
        • Средства и системы контроля и управления доступом (СКУД)
          • Назад
          • Средства и системы контроля и управления доступом (СКУД)
          • Кнопки выхода
          • Доводчики
          • Биометрические СКУД
          • Ограждения
          • Готовые решения СКУД
          • Контроль периметра
          • Зеркала безопасности
          • Шлагбаумы и автоматика
          • Устройства для печати на пластиковых картах
          • Турникеты
          • Считыватели
          • СКУД автономные
          • СКУД сетевые
          • Калитки
          • Замки и электромеханические защелки
          • Идентификаторы
          • Досмотровое оборудование
          • Домофоны и переговорные устройства
          • Светофоры
        • Сетевое оборудование
          • Назад
          • Сетевое оборудование
          • Трансиверы (SFP-модули)
          • Программное обеспечение для сетевого оборудования
          • Прочее сетевое оборудование
          • Инжекторы и сплиттеры PoE
          • Оборудование для усиления сотовой связи
          • Модемы
          • Антенны
          • Удлинители Ethernet
          • Системы диспетчерской связи и вызова персонала
          • Сетевые коммутаторы
          • Оборудование Wi-Fi
          • Медиаконвертеры
          • Средства защиты информации
          • Сетевые адаптеры
          • Рации и аксессуары
          • Преобразователи интерфейса
          • Часофикация
        • Светотехника
          • Назад
          • Светотехника
          • Аварийное и ориентационное освещение
          • Световые шнуры, светодиодные ленты и комплектующие
          • Аксессуары для светотехники и вспомогательное оборудование
          • Прожекторы и светильники направленного света
          • Патроны(ламподержатели)
          • Иллюминация и декоративное освещение
          • Взрывобезопасные световые приборы
          • Оптоволоконные и струнные системы освещения
          • Опоры освещения
          • Светильники
          • Лампы(источник света)
          • Пускорегилирующая аппаратура и устройства питания для световых приборов
          • Фонари и переносные световые приборы
          • Трансформаторы для низковольтных систем освещения, блоки защиты ламп
        • Оборудование СКС
          • Назад
          • Оборудование СКС
          • Кабельные органайзеры
          • Коммутационные модули
          • Разъемы
          • Коммутационные розетки
          • Оптические панели и аксессуары
          • Патч-корды
          • Оборудование телефонии
        • Низковольтное оборудование
          • Назад
          • Низковольтное оборудование
          • Клеммы
          • Шинопровод
          • Предохранители
          • Низковольтные устройства различного назначения и аксессуары
          • Контрольно-измерительные устройства
          • Компоненты светосигнальной арматуры
          • Клеммные колодки
          • Измерительные приборы для установки в щит
          • Выключатели нагрузки(рубильники)
          • Щиты и шкафы
          • Системы контроля и учёта энергоресурсов
          • Технологические сенсоры
          • Приводная техника, насосы и электродвигатели
          • Пускорегулирующая аппаратура
          • Низковольтные разъемы
          • Автоматические выключатели
          • Автоматизация
          • Cветосигнальная арматура (кнопки, лампочки, переключатели)
          • Элементы управления для светосигнальной арматуры
          • Устройства оптической(световой) и аккустической(звуковой) сигнализации
        • Компьютерное оборудование
          • Назад
          • Компьютерное оборудование
          • Периферия и аксессуары
          • Ноутбуки и аксессуары
          • Компьютеры и ПО
        • Климатическое оборудование
          • Назад
          • Климатическое оборудование
          • Воздуховоды и вытяжки
          • Теплый пол
          • Аспирационные системы
          • Монтажные и расходные материалы
          • Защита протечки воды
          • Вентиляторы
          • Бойлеры и аксессуары
          • Системы антиобледенения
          • Обогреватели
          • Терморегуляторы
          • Радиаторы отопления
          • Погодные станции и сплит-системы
          • Отопительные котлы
        • Кабельно-проводниковая продукция
          • Назад
          • Кабельно-проводниковая продукция
          • Кабели для ОПС
          • Кабели и провода силовые, контрольные, прочие
          • Огнестойкие кабельные линии (ОКЛ)
        • Инструмент
          • Назад
          • Инструмент
          • Ручной инструмент
          • Инструмент для работы с кабелем
          • Аксессуары для электроинструмента
          • Прочий электроинструмент
          • Перфораторы
          • Пилы
          • Шуруповерты
          • Сварочное оборудование
          • Лобзики
          • Измерительные приборы и инструмент
          • Дрели
          • Штукатурно-малярный инструмент
          • Шлифмашинки
          • Граверы
          • Фены (термопистолеты)
          • Фрезеры
          • Пистолеты
          • Отбойные молотки
          • Ножницы по металлу
          • Лестницы и стремянки
          • Заклепочники
          • Гайковерты
          • Гвоздезабиватели (степлеры)
          • Болгарки
          • Аксессуары для пневмоинструмента
          • Электромонтажный инструмент
          • Паяльное оборудование
          • Магнитный инструмент
          • Рубанки
          • Хранение инструмента
          • Строительные пылесосы
          • Спецодежда и СИЗ
          • Инструмент для маркировки
          • Домкраты
        • Кабеленесущие системы
          • Назад
          • Кабеленесущие системы
          • Трубы для электропроводки и аксессуары
          • Металлорукава и аксессуары
          • Коробки монтажные
          • Металлические лотки и аксессуары
          • Кабель-каналы и аксессуары
          • Системы несущих конструкций
        • Источники бесперебойного электропитания и АКБ
          • Назад
          • Источники бесперебойного электропитания и АКБ
          • Стабилизаторы напряжения
          • Зарядные устройства
          • Дополнительное оборудование
          • Источники бесперебойного питания (ИБП/UPS)
          • Источники питания
          • Генераторные установки (электростанции)
          • Аккумуляторы
          • Трансформаторы
        • Взрывозащищенное оборудование
          • Назад
          • Взрывозащищенное оборудование
          • Источники электропитания взрывозащищенные
          • Барьеры искрозащиты
          • Системы видеонаблюдения взрывозащищенные
          • Оборудование СКУД взрывозащищенное
          • Модули пожаротушения взрывозащищенные
          • Изделия коммутационные взрывозащищенные
          • Извещатели и оповещатели взрывозащищенные
          • Термошкафы взрывозащищенные
          • Приборы приемно-контрольные взрывозащищенные
          • Прочие взрывозащищенные приборы
        • IT-направление
          • Назад
          • IT-направление
          • Телефония и Unified Communications
          • Серверы
          • Программное обеспечение
          • AutoIDC и электронное торговое оборудование
        • Отопление
          • Назад
          • Отопление
          • Трубопроводная система PEX/EVOH
          • Шаровые краны
          • Балансировочные и термостатические клапаны
          • Коллекторные узлы
          • Приборы учёта
          • Изоляция для труб
          • Стальные панельные радиаторы
          • Котлы
        • Водоснабжение
          • Назад
          • Водоснабжение
          • Трубопроводная система PEX для водоснабжения
          • Трубопроводная система PPR
          • Приборы учёта
          • Редукторы давления
          • Балансировочные клапаны ГВС
        • Водоотведение
          • Назад
          • Водоотведение
          • Чугунные трубы и фитинги SML К2
          • Канализация ВКПП К1
      • Акции
      • Калькулятор ОКЛ
      • Бренды
      • Сертификаты дилерства
      • Как купить
        • Назад
        • Как купить
        • Условия оплаты
        • Условия доставки
        • Гарантия на товар
      • О компании
        • Назад
        • О компании
        • О компании
        • Новости
        • Обучение
        • Мероприятия
        • Участие в выставках
        • Вакансии
        • Сертификаты дилерства
        • Сертификаты соответствия
        • Контакты
      • Контакты
      • +7 (499) 340-14-78Для оптовых покупателей
        • Назад
        • Телефоны
        • +7 (499) 340-14-78Для оптовых покупателей
        • +7 (800) 550-20-81Для оптовых покупателей
        • +7 (499) 272-04-37Для поставщиков и оптовых покупателей
        • +7 (985) 051-96-09Ремонт
        • +7 (916) 017-84-41
        • Заказать звонок
      Контактная информация
      г. Москва, ул. Снежная, д. 26.
      Мы в соцсетях: t.me/msb_ru
      info@mossb.ru
      • Telegram
      • WhatsApp
      Бесплатно подберем оборудование по Вашей заявке.
      Актуальность цены уточняйте у операторов!

      Пожарные извещатели и оповещатели

      Главная
      —
      Каталог
      —
      Средства и системы охранно-пожарной сигнализации
      —Пожарные извещатели и оповещатели
      Адресные метки
      Адресные метки
      Извещатели комбинированные
      Извещатели комбинированные
      Извещатели охранные
      Извещатели охранные
      Извещатели пожарные
      Извещатели пожарные
      Извещатели утечки газа
      Извещатели утечки газа
      Оборудование для тестирования извещателей
      Оборудование для тестирования извещателей
      Специальные и дополнительные устройства
      Специальные и дополнительные устройства
      Bolid
      Гефест
      Elsys
      Bolid
      Гефест
      Elsys
      Фильтр
      По умолчанию
      По популярности (убывание)
      По популярности (возрастание)
      По алфавиту (убывание)
      По алфавиту (возрастание)
      По цене (убывание)
      По цене (возрастание)
      По умолчанию
      Фильтр:
      Сортировка
      По умолчанию (убывание)
      • По популярности (возрастание)
      • По популярности (убывание)
      • По алфавиту (возрастание)
      • По алфавиту (убывание)
      • По цене (возрастание)
      • По цене (убывание)
      • По умолчанию (возрастание)
      • По умолчанию (убывание)
      Цена
      Цена
      8,28
      585 635,28
      1 171 261,28
      1 756 888,28
      2 342 515
      Показать
      Тип устройства
      Показать
      Световая индикация
      Показать все
      Показать
      Выходное напряжение, В
      Показать
      Выходной ток, А
      Показать
      Тип используемого аккумулятора
      Показать
      Количество аккумуляторов, шт
      Показать
      Ток заряда аккумуляторной батареи, А
      Показать
      Диапазон рабочих температур, °С
      Показать все
      Показать
      Защита от короткого замыкания
      Показать
      Материал корпуса
      Показать все
      Показать
      Тип установки
      Показать
      Тип контактов
      Показать все
      Показать
      Индикация
      Показать
      Напряжение питания DC, В
      Показать все
      Показать
      Степень защиты
      Показать все
      Показать
      Способ подключения
      Показать
      Способ установки
      Показать
      Бренд
      Показать все
      Показать
      Тип
      Показать все
      ?Примечание
      Пример подсказки
      Показать
      Цвет
      Все
      Показать
      Материал
      Показать все
      Показать
      Форма
      Показать
      Выбрано: 0 Показать
      Выбрано: 0 Показать
      ИП 212-64-R3 W1.03 Извещатель пожарный дымовой оптико-электронный адресно-аналоговый (с площадкой под экран 3К) ИП 212-64-R3 W1.03 Извещатель пожарный дымовой оптико-электронный адресно-аналоговый (с площадкой под экран 3К)
      ИП 212-64-R3 W1.03 Извещатель пожарный дымовой оптико-электронный адресно-аналоговый (с площадкой под экран 3К)
      В наличии
      Арт.: Rbz-337454
      Производитель: Рубеж
      1 552 руб./шт
      Варианты цен
      1 552 руб./шт
      Подробности
      В корзинуВ корзине
      Купить в 1 клик
      ИП 212-64-R3 без б/о Извещатель пожарный дымовой оптико-электронный адресно-аналоговый ИП 212-64-R3 без б/о Извещатель пожарный дымовой оптико-электронный адресно-аналоговый
      ИП 212-64-R3 без б/о Извещатель пожарный дымовой оптико-электронный адресно-аналоговый
      В наличии
      Остаток поставщика: 6 100 шт
      Арт.: Rbz-337936
      Производитель: Рубеж
      1 406 руб./шт
      Варианты цен
      1 406 руб./шт
      Подробности
      В корзинуВ корзине
      Купить в 1 клик
      ИП 212-142 Извещатель пожарный дымовой оптико-электронный точечный, автономный
      ИП 212-142 Извещатель пожарный дымовой оптико-электронный точечный, автономный
      В наличии
      Арт.: rbz-054543
      Производитель: Рубеж
      525 руб./шт
      Варианты цен
      525 руб./шт
      Подробности
      В корзинуВ корзине
      Купить в 1 клик
      ИПР 513-11-А-R3 Извещатель пожарный ручной электроконтактный адресный ИПР 513-11-А-R3 Извещатель пожарный ручной электроконтактный адресный
      ИПР 513-11-А-R3 Извещатель пожарный ручной электроконтактный адресный
      В наличии
      Остаток поставщика: 10 000 шт
      Арт.: Rbz-317532
      Производитель: Рубеж
      1 128 руб./шт
      Варианты цен
      1 128 руб./шт
      Подробности
      В корзинуВ корзине
      Купить в 1 клик
      ИП 212-141 V1.04 Извещатель пожарный дымовой ИП 212-141 V1.04 Извещатель пожарный дымовой
      ИП 212-141 V1.04 Извещатель пожарный дымовой
      В наличии
      Арт.: rbz-338653
      Производитель: Рубеж
      596 руб./шт
      Варианты цен
      596 руб./шт
      Подробности
      В корзинуВ корзине
      Купить в 1 клик
      Базовое основание W1.03 (в упаковке)
      Базовое основание W1.03 (в упаковке)
      В наличии
      Арт.: Rbz-342653
      Производитель: Рубеж
      233 руб./шт
      Варианты цен
      233 руб./шт
      Подробности
      В корзинуВ корзине
      Купить в 1 клик
      ИО32920-2 (акустический, разбитие стекла) Извещатель охранный поверхностный звуковой адресный ИО32920-2 (акустический, разбитие стекла) Извещатель охранный поверхностный звуковой адресный
      ИО32920-2 (акустический, разбитие стекла) Извещатель охранный поверхностный звуковой адресный
      В наличии
      Арт.: Rbz-340295
      Производитель: Рубеж
      2 208 руб./шт
      Варианты цен
      2 208 руб./шт
      Подробности
      В корзинуВ корзине
      Купить в 1 клик
      ИО 10220-2 Извещатель охранный магнитоуправляемый адресный (магнитоуправляемый, на открывание) ИО 10220-2 Извещатель охранный магнитоуправляемый адресный (магнитоуправляемый, на открывание)
      ИО 10220-2 Извещатель охранный магнитоуправляемый адресный (магнитоуправляемый, на открывание)
      В наличии
      Остаток поставщика: 7 000 шт
      Арт.: Rbz-340276
      Производитель: Рубеж
      629 руб./шт
      Варианты цен
      629 руб./шт
      Подробности
      В корзинуВ корзине
      Купить в 1 клик
      ИП 212-141М V1.04 Извещатель пожарный дымовой ИП 212-141М V1.04 Извещатель пожарный дымовой
      ИП 212-141М V1.04 Извещатель пожарный дымовой
      В наличии
      Арт.: rbz-338655
      Производитель: Рубеж
      647 руб./шт
      Варианты цен
      647 руб./шт
      Подробности
      В корзинуВ корзине
      Купить в 1 клик
      ИПР 513-11ИКЗ-А-R3 Извещатель пожарный ручной электроконтактный адресный с встроенным изолятором короткого замыкания ИПР 513-11ИКЗ-А-R3 Извещатель пожарный ручной электроконтактный адресный с встроенным изолятором короткого замыкания
      ИПР 513-11ИКЗ-А-R3 Извещатель пожарный ручной электроконтактный адресный с встроенным изолятором короткого замыкания
      В наличии
      Остаток поставщика: 1 000 шт
      Арт.: Rbz-301159
      Производитель: Рубеж
      1 243 руб./шт
      Варианты цен
      1 243 руб./шт
      Подробности
      В корзинуВ корзине
      Купить в 1 клик
      ИП 212-45 V1.04 Извещатель пожарный дымовой оптико-электронный ИП 212-45 V1.04 Извещатель пожарный дымовой оптико-электронный
      ИП 212-45 V1.04 Извещатель пожарный дымовой оптико-электронный
      В наличии
      Арт.: rbz-338654
      Производитель: Рубеж
      655 руб./шт
      Варианты цен
      655 руб./шт
      Подробности
      В корзинуВ корзине
      Купить в 1 клик
      ИП 212-50М Извещатель пожарный дымовой оптико-электронный автономный
      ИП 212-50М Извещатель пожарный дымовой оптико-электронный автономный
      В наличии
      Арт.: rbz-054962
      Производитель: Рубеж
      1 306 руб./шт
      Варианты цен
      1 306 руб./шт
      Подробности
      В корзинуВ корзине
      Купить в 1 клик
      ИП 101-29-PR-R3 без б/о Извещатель тепловой точечный максимально-дифференциальный ИП 101-29-PR-R3 без б/о Извещатель тепловой точечный максимально-дифференциальный
      ИП 101-29-PR-R3 без б/о Извещатель тепловой точечный максимально-дифференциальный
      В наличии
      Остаток поставщика: 1 000 шт
      Арт.: Rbz-337896
      Производитель: Рубеж
      1 342 руб./шт
      Варианты цен
      1 342 руб./шт
      Подробности
      В корзинуВ корзине
      Купить в 1 клик
      Базовое основание W2.03 (в упаковке)
      Базовое основание W2.03 (в упаковке)
      В наличии
      Арт.: Rbz-342655
      Производитель: Рубеж
      523 руб./шт
      Варианты цен
      523 руб./шт
      Подробности
      В корзинуВ корзине
      Купить в 1 клик
      ИПР 513-10 Извещатель пожарный ручной электроконтактный ИПР 513-10 Извещатель пожарный ручной электроконтактный
      ИПР 513-10 Извещатель пожарный ручной электроконтактный
      В наличии
      Арт.: Rbz-055387
      Производитель: Рубеж
      388 руб./шт
      Варианты цен
      388 руб./шт
      Подробности
      В корзинуВ корзине
      Купить в 1 клик
      ИО40920-2 (ИК, пассивный, объёмный) Извещатель охранный объемный оптико-электронный пассивный адресный ИО40920-2 (ИК, пассивный, объёмный) Извещатель охранный объемный оптико-электронный пассивный адресный
      ИО40920-2 (ИК, пассивный, объёмный) Извещатель охранный объемный оптико-электронный пассивный адресный
      В наличии
      Остаток поставщика: 2 200 шт
      Арт.: Rbz-340302
      Производитель: Рубеж
      2 228 руб./шт
      Варианты цен
      2 228 руб./шт
      Подробности
      В корзинуВ корзине
      Купить в 1 клик
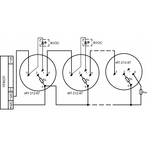
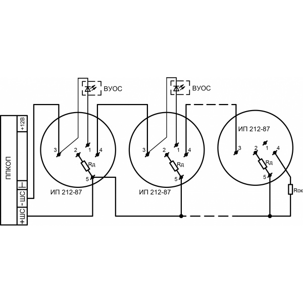
      ИП 212-87 V1.04 Извещатель пожарный дымовой оптико-электронный точечный ИП 212-87 V1.04 Извещатель пожарный дымовой оптико-электронный точечный ИП 212-87 V1.04 Извещатель пожарный дымовой оптико-электронный точечный
      ИП 212-87 V1.04 Извещатель пожарный дымовой оптико-электронный точечный
      В наличии
      Арт.: rbz-338902
      Производитель: Рубеж
      856 руб./шт
      Варианты цен
      856 руб./шт
      Подробности
      В корзинуВ корзине
      Купить в 1 клик
      ИП 101-29-PR-R3 W1.03 Извещатель пожарный тепловой максимально-дифференциальный адресно-аналоговый (с площадкой под экран 3К) ИП 101-29-PR-R3 W1.03 Извещатель пожарный тепловой максимально-дифференциальный адресно-аналоговый (с площадкой под экран 3К)
      ИП 101-29-PR-R3 W1.03 Извещатель пожарный тепловой максимально-дифференциальный адресно-аналоговый (с площадкой под экран 3К)
      В наличии
      Арт.: Rbz-337475
      Производитель: Рубеж
      1 529 руб./шт
      Варианты цен
      1 529 руб./шт
      Подробности
      В корзинуВ корзине
      Купить в 1 клик
      ИП 212-64-R3 W2.03 Извещатель пожарный дымовой оптико-электронный адресно-аналоговый (для подвесного потолка с площадкой под экран 3К)
      ИП 212-64-R3 W2.03 Извещатель пожарный дымовой оптико-электронный адресно-аналоговый (для подвесного потолка с площадкой под экран 3К)
      В наличии
      Арт.: Rbz-337605
      Производитель: Рубеж
      1 913 руб./шт
      Варианты цен
      1 913 руб./шт
      Подробности
      В корзинуВ корзине
      Купить в 1 клик
      УДП 513-11-R3 "ПУСК ПОЖАРОТУШЕНИЯ", цвет желтый Устройство дистанционного пуска электроконтактное УДП 513-11-R3 "ПУСК ПОЖАРОТУШЕНИЯ", цвет желтый Устройство дистанционного пуска электроконтактное
      УДП 513-11-R3 "ПУСК ПОЖАРОТУШЕНИЯ", цвет желтый Устройство дистанционного пуска электроконтактное
      В наличии
      Остаток поставщика: 20 900 шт
      Арт.: Rbz-055445
      Производитель: Рубеж
      1 195 руб./шт
      Варианты цен
      1 195 руб./шт
      Подробности
      В корзинуВ корзине
      Купить в 1 клик
      Показать еще
      1 2 3 ... 172

      Пожарный извещатель служит для раннего обнаружения и извещения о возникшем возгорании. Прибор реагирует на частицы дыма, включая сигнализацию. При этом звук настолько громкий, что слышен даже в дальних помещениях и способен разбудить спящих. Это дает возможность вовремя эвакуировать людей и предотвратить распространение огня.

      Удобно и надежно

      • Современные пожарные извещатели легко интегрируются в существующие системы охраны и пожарной безопасности, обеспечивая комплексный подход к защите.
      • Большинство моделей обладают простой конструкцией и могут быть быстро установлены без необходимости дорогостоящего обслуживания.
      • Пожарные извещатели определяют не только факт возгорания, но и его местоположение, что позволяет быстрее и точнее реагировать на чрезвычайную ситуацию.

      В нашем каталоге вы найдете широкий ассортимент моделей от Bolid, «Гефест», Elsys и других ведущих брендов. Для покупки доступны устройства с накладным и врезным монтажом, классом защиты IP64 и IP66, подключением посредством винтовых клемм и проводов. Имеется удобный фильтр по цене. Выполняем быструю доставку в Москве и МО.

      Каталог
      • Электроустановочные изделия
        • Розетки антенные, информационные, коммуникационные
        • Удлинители, розеточные блоки, разветвители, переходники
        • Электроустановочные устройства разного назначения
        • Выключатели, переключатели и диммеры
        • Вилки кабельные и приборные
        • Звонки, кнопки и аксессуары
        • Рамки, суппорты, адаптеры и декоративные элементы для ЭУИ
        • Аксессуары и компоненты для электроустановочных изделий
        • Выключатели с дистанционным управлением
        • Блоки комбинированные
        • Молниезащита
        • Электроустановочные датчики
        • Устройства управления жалюзи, звуком, сигнализацией, климатом
        • Таймеры
        • Розетки силовые
      • Электромонтажные изделия
        • Кабельные наконечники и гильзы
        • Термоусаживаемые трубки
        • Маркировочные изделия
        • Кабельные вводы и сальники
        • Муфты
        • Изолента ПВХ
        • Соединители кабельные
        • Термоусаживаемые ленты
        • Защитные и ведущие системы для кабелей
        • Термоусаживаемые перчатки и капы
        • Пломбы, маркер кабельный
        • Ленты специальные
        • Аэрозоли, смазочные, герметезирующие и защитные составы
        • Лента сигнальная/оградительная
        • Лента монтажная
        • Изолента х/б
        • Сжимы и орехи
        • Разъемы кабельные
        • Трубка ТВ- (кембрик) ПВХ
        • Предупредительные знаки и наклейки
      • Умный дом
        • Датчики и сенсоры
        • Комплекты умного дома
        • Брелоки и пульты управления
        • Цоколи и патроны, умные лампы
        • Умные розетки, удлинители и выключатели
        • Терморегуляторы
      • Средства и системы охранно-пожарной сигнализации
        • Системы передачи извещений
        • Приборы приемно-контрольные
        • Радиоканальные системы
        • Пожарные оповещатели
        • Интегрированная система «ОРИОН» «Болид»
        • Пожарные извещатели и оповещатели
        • Адресная система ОПС «РУБЕЖ»
      • Средства и системы охранного телевидения
        • Цифровые системы видеоконтроля
        • Телекамеры
        • Передача сигналов
        • Объективы для камер видеонаблюдения
        • Видеорегистраторы
        • IP-видеосерверы
        • Аксессуары
      • Средства пожаротушения
        • Пожарные шкафы, щиты, подставки
        • Прочие средства пожаротушения
        • Огнетушители
        • Пенное пожаротушение
        • Порошковое пожаротушение
        • Модули ТРВ (тонко-распыленная вода)
        • Газовое пожаротушение
        • Аэрозольное пожаротушение
        • Пожарные рукава и арматура (головки, клапана, стволы)
        • Водяное пожаротушение
        • Автономные огнетушители
      • Средства и системы оповещения, музыкальной трансляции
        • Системы оповещения о пожаре
        • Системы оповещения, музыкальной трансляции
        • Оборудование для защиты информации
      • Средства и системы контроля и управления доступом (СКУД)
        • Кнопки выхода
        • Доводчики
        • Биометрические СКУД
        • Ограждения
        • Готовые решения СКУД
        • Контроль периметра
        • Зеркала безопасности
        • Шлагбаумы и автоматика
        • Устройства для печати на пластиковых картах
        • Турникеты
        • Считыватели
        • СКУД автономные
        • СКУД сетевые
        • Калитки
        • Замки и электромеханические защелки
        • Идентификаторы
        • Досмотровое оборудование
        • Домофоны и переговорные устройства
        • Светофоры
      • Сетевое оборудование
        • Трансиверы (SFP-модули)
        • Программное обеспечение для сетевого оборудования
        • Прочее сетевое оборудование
        • Инжекторы и сплиттеры PoE
        • Оборудование для усиления сотовой связи
        • Модемы
        • Антенны
        • Удлинители Ethernet
        • Системы диспетчерской связи и вызова персонала
        • Сетевые коммутаторы
        • Оборудование Wi-Fi
        • Медиаконвертеры
        • Средства защиты информации
        • Сетевые адаптеры
        • Рации и аксессуары
        • Преобразователи интерфейса
        • Часофикация
      • Светотехника
        • Аварийное и ориентационное освещение
        • Световые шнуры, светодиодные ленты и комплектующие
        • Аксессуары для светотехники и вспомогательное оборудование
        • Прожекторы и светильники направленного света
        • Патроны(ламподержатели)
        • Иллюминация и декоративное освещение
        • Взрывобезопасные световые приборы
        • Оптоволоконные и струнные системы освещения
        • Опоры освещения
        • Светильники
        • Лампы(источник света)
        • Пускорегилирующая аппаратура и устройства питания для световых приборов
        • Фонари и переносные световые приборы
        • Трансформаторы для низковольтных систем освещения, блоки защиты ламп
      • Оборудование СКС
        • Кабельные органайзеры
        • Коммутационные модули
        • Разъемы
        • Коммутационные розетки
        • Оптические панели и аксессуары
        • Патч-корды
        • Оборудование телефонии
      • Низковольтное оборудование
        • Клеммы
        • Шинопровод
        • Предохранители
        • Низковольтные устройства различного назначения и аксессуары
        • Контрольно-измерительные устройства
        • Компоненты светосигнальной арматуры
        • Клеммные колодки
        • Измерительные приборы для установки в щит
        • Выключатели нагрузки(рубильники)
        • Щиты и шкафы
        • Системы контроля и учёта энергоресурсов
        • Технологические сенсоры
        • Приводная техника, насосы и электродвигатели
        • Пускорегулирующая аппаратура
        • Низковольтные разъемы
        • Автоматические выключатели
        • Автоматизация
        • Cветосигнальная арматура (кнопки, лампочки, переключатели)
        • Элементы управления для светосигнальной арматуры
        • Устройства оптической(световой) и аккустической(звуковой) сигнализации
      • Компьютерное оборудование
        • Периферия и аксессуары
        • Ноутбуки и аксессуары
        • Компьютеры и ПО
      • Климатическое оборудование
        • Воздуховоды и вытяжки
        • Теплый пол
        • Аспирационные системы
        • Монтажные и расходные материалы
        • Защита протечки воды
        • Вентиляторы
        • Бойлеры и аксессуары
        • Системы антиобледенения
        • Обогреватели
        • Терморегуляторы
        • Радиаторы отопления
        • Погодные станции и сплит-системы
        • Отопительные котлы
      • Кабельно-проводниковая продукция
        • Кабели для ОПС
        • Кабели и провода силовые, контрольные, прочие
        • Огнестойкие кабельные линии (ОКЛ)
      • Инструмент
        • Ручной инструмент
        • Инструмент для работы с кабелем
        • Аксессуары для электроинструмента
        • Прочий электроинструмент
        • Перфораторы
        • Пилы
        • Шуруповерты
        • Сварочное оборудование
        • Лобзики
        • Измерительные приборы и инструмент
        • Дрели
        • Штукатурно-малярный инструмент
        • Шлифмашинки
        • Граверы
        • Фены (термопистолеты)
        • Фрезеры
        • Пистолеты
        • Отбойные молотки
        • Ножницы по металлу
        • Лестницы и стремянки
        • Заклепочники
        • Гайковерты
        • Гвоздезабиватели (степлеры)
        • Болгарки
        • Аксессуары для пневмоинструмента
        • Электромонтажный инструмент
        • Паяльное оборудование
        • Магнитный инструмент
        • Рубанки
        • Хранение инструмента
        • Строительные пылесосы
        • Спецодежда и СИЗ
        • Инструмент для маркировки
        • Домкраты
      • Кабеленесущие системы
        • Трубы для электропроводки и аксессуары
        • Металлорукава и аксессуары
        • Коробки монтажные
        • Металлические лотки и аксессуары
        • Кабель-каналы и аксессуары
        • Системы несущих конструкций
      • Источники бесперебойного электропитания и АКБ
        • Стабилизаторы напряжения
        • Зарядные устройства
        • Дополнительное оборудование
        • Источники бесперебойного питания (ИБП/UPS)
        • Источники питания
        • Генераторные установки (электростанции)
        • Аккумуляторы
        • Трансформаторы
      • Взрывозащищенное оборудование
        • Источники электропитания взрывозащищенные
        • Барьеры искрозащиты
        • Системы видеонаблюдения взрывозащищенные
        • Оборудование СКУД взрывозащищенное
        • Модули пожаротушения взрывозащищенные
        • Изделия коммутационные взрывозащищенные
        • Извещатели и оповещатели взрывозащищенные
        • Термошкафы взрывозащищенные
        • Приборы приемно-контрольные взрывозащищенные
        • Прочие взрывозащищенные приборы
      • IT-направление
        • Телефония и Unified Communications
        • Серверы
        • Программное обеспечение
        • AutoIDC и электронное торговое оборудование
      • Отопление
        • Трубопроводная система PEX/EVOH
        • Шаровые краны
        • Балансировочные и термостатические клапаны
        • Коллекторные узлы
        • Приборы учёта
        • Изоляция для труб
        • Стальные панельные радиаторы
        • Котлы
      • Водоснабжение
        • Трубопроводная система PEX для водоснабжения
        • Трубопроводная система PPR
        • Приборы учёта
        • Редукторы давления
        • Балансировочные клапаны ГВС
      • Водоотведение
        • Чугунные трубы и фитинги SML К2
        • Канализация ВКПП К1
      Будьте в курсе наших акций и новостей
      Подписаться
      Задать вопрос
      Статьи
      1 июля 2024
      OSNOVO - Гигабитные PoE инжекторы на 65W со встроенной грозозащитой
      27 июля 2022
      Время работы оборудования при отключении питания
      Каталог
      Акции
      Бренды
      Калькулятор ОКЛ
      Компания
      О компании
      Новости
      Обучение
      Мероприятия
      Участие в выставках
      Вакансии
      Сертификаты дилерства
      Сертификаты соответствия
      Контакты
      Информация
      Условия оплаты
      Условия доставки
      Гарантия на товар
      Реквизиты
      Политика конфиденциальности
      Положение об антикоррупционной политике
      Карта сайта
      Сервис
      Возврат оборудования
      Гарантийное и сервисное обслуживание
      Подписаться на рассылку
      +7 (499) 340-14-78
      +7 (499) 340-14-78Для оптовых покупателей
      +7 (800) 550-20-81Для оптовых покупателей
      +7 (499) 272-04-37Для поставщиков и оптовых покупателей
      +7 (985) 051-96-09Ремонт
      +7 (916) 017-84-41
      info@mossb.ru
      г. Москва, ул. Снежная, д. 26.
      Мы в соцсетях: t.me/msb_ru
      • Telegram
      • WhatsApp
      2026 © Гарантия низких цен и быстрой отгрузки
      Пн. – Пт.: с 9:00 до 18:00