Каталог
Электроустановочные изделия
Розетки антенные, информационные, коммуникационные
Удлинители, розеточные блоки, разветвители, переходники
Электроустановочные устройства разного назначения
Выключатели, переключатели и диммеры
Вилки кабельные и приборные
Звонки, кнопки и аксессуары
Рамки, суппорты, адаптеры и декоративные элементы для ЭУИ
Аксессуары и компоненты для электроустановочных изделий
Выключатели с дистанционным управлением
Блоки комбинированные
Молниезащита
Электроустановочные датчики
Устройства управления жалюзи, звуком, сигнализацией, климатом
Таймеры
Розетки силовые
Электромонтажные изделия
Кабельные наконечники и гильзы
Термоусаживаемые трубки
Маркировочные изделия
Кабельные вводы и сальники
Муфты
Изолента ПВХ
Соединители кабельные
Термоусаживаемые ленты
Защитные и ведущие системы для кабелей
Термоусаживаемые перчатки и капы
Пломбы, маркер кабельный
Ленты специальные
Аэрозоли, смазочные, герметезирующие и защитные составы
Лента сигнальная/оградительная
Лента монтажная
Изолента х/б
Сжимы и орехи
Разъемы кабельные
Трубка ТВ- (кембрик) ПВХ
Предупредительные знаки и наклейки
Умный дом
Датчики и сенсоры
Комплекты умного дома
Брелоки и пульты управления
Цоколи и патроны, умные лампы
Умные розетки, удлинители и выключатели
Терморегуляторы
Средства и системы охранно-пожарной сигнализации
Системы передачи извещений
Приборы приемно-контрольные
Радиоканальные системы
Пожарные оповещатели
Интегрированная система «ОРИОН» «Болид»
Пожарные извещатели и оповещатели
Адресная система ОПС «РУБЕЖ»
Средства и системы охранного телевидения
Цифровые системы видеоконтроля
Телекамеры
Передача сигналов
Объективы для камер видеонаблюдения
Видеорегистраторы
IP-видеосерверы
Аксессуары
Средства пожаротушения
Пожарные шкафы, щиты, подставки
Прочие средства пожаротушения
Огнетушители
Пенное пожаротушение
Порошковое пожаротушение
Модули ТРВ (тонко-распыленная вода)
Газовое пожаротушение
Аэрозольное пожаротушение
Пожарные рукава и арматура (головки, клапана, стволы)
Водяное пожаротушение
Автономные огнетушители
Средства и системы оповещения, музыкальной трансляции
Системы оповещения о пожаре
Системы оповещения, музыкальной трансляции
Оборудование для защиты информации
Средства и системы контроля и управления доступом (СКУД)
Кнопки выхода
Доводчики
Биометрические СКУД
Ограждения
Готовые решения СКУД
Контроль периметра
Зеркала безопасности
Шлагбаумы и автоматика
Устройства для печати на пластиковых картах
Турникеты
Считыватели
СКУД автономные
СКУД сетевые
Калитки
Замки и электромеханические защелки
Идентификаторы
Досмотровое оборудование
Домофоны и переговорные устройства
Светофоры
Сетевое оборудование
Трансиверы (SFP-модули)
Программное обеспечение для сетевого оборудования
Прочее сетевое оборудование
Инжекторы и сплиттеры PoE
Оборудование для усиления сотовой связи
Модемы
Антенны
Удлинители Ethernet
Системы диспетчерской связи и вызова персонала
Сетевые коммутаторы
Оборудование Wi-Fi
Медиаконвертеры
Средства защиты информации
Сетевые адаптеры
Рации и аксессуары
Преобразователи интерфейса
Часофикация
Светотехника
Аварийное и ориентационное освещение
Световые шнуры, светодиодные ленты и комплектующие
Аксессуары для светотехники и вспомогательное оборудование
Прожекторы и светильники направленного света
Патроны(ламподержатели)
Иллюминация и декоративное освещение
Взрывобезопасные световые приборы
Оптоволоконные и струнные системы освещения
Опоры освещения
Светильники
Лампы(источник света)
Пускорегилирующая аппаратура и устройства питания для световых приборов
Фонари и переносные световые приборы
Трансформаторы для низковольтных систем освещения, блоки защиты ламп
Оборудование СКС
Кабельные органайзеры
Коммутационные модули
Разъемы
Коммутационные розетки
Оптические панели и аксессуары
Патч-корды
Оборудование телефонии
Низковольтное оборудование
Клеммы
Шинопровод
Предохранители
Низковольтные устройства различного назначения и аксессуары
Контрольно-измерительные устройства
Компоненты светосигнальной арматуры
Клеммные колодки
Измерительные приборы для установки в щит
Выключатели нагрузки(рубильники)
Щиты и шкафы
Системы контроля и учёта энергоресурсов
Технологические сенсоры
Приводная техника, насосы и электродвигатели
Пускорегулирующая аппаратура
Низковольтные разъемы
Автоматические выключатели
Автоматизация
Cветосигнальная арматура (кнопки, лампочки, переключатели)
Элементы управления для светосигнальной арматуры
Устройства оптической(световой) и аккустической(звуковой) сигнализации
Компьютерное оборудование
Периферия и аксессуары
Ноутбуки и аксессуары
Компьютеры и ПО
Климатическое оборудование
Воздуховоды и вытяжки
Теплый пол
Аспирационные системы
Монтажные и расходные материалы
Защита протечки воды
Вентиляторы
Бойлеры и аксессуары
Системы антиобледенения
Обогреватели
Терморегуляторы
Радиаторы отопления
Погодные станции и сплит-системы
Отопительные котлы
Кабельно-проводниковая продукция
Кабели для ОПС
Кабели и провода силовые, контрольные, прочие
Огнестойкие кабельные линии (ОКЛ)
Инструмент
Ручной инструмент
Инструмент для работы с кабелем
Аксессуары для электроинструмента
Прочий электроинструмент
Перфораторы
Пилы
Шуруповерты
Сварочное оборудование
Лобзики
Измерительные приборы и инструмент
Дрели
Штукатурно-малярный инструмент
Шлифмашинки
Граверы
Фены (термопистолеты)
Фрезеры
Пистолеты
Отбойные молотки
Ножницы по металлу
Лестницы и стремянки
Заклепочники
Гайковерты
Гвоздезабиватели (степлеры)
Болгарки
Аксессуары для пневмоинструмента
Электромонтажный инструмент
Паяльное оборудование
Магнитный инструмент
Рубанки
Хранение инструмента
Строительные пылесосы
Спецодежда и СИЗ
Инструмент для маркировки
Домкраты
Кабеленесущие системы
Трубы для электропроводки и аксессуары
Металлорукава и аксессуары
Коробки монтажные
Металлические лотки и аксессуары
Кабель-каналы и аксессуары
Системы несущих конструкций
Источники бесперебойного электропитания и АКБ
Стабилизаторы напряжения
Зарядные устройства
Дополнительное оборудование
Источники бесперебойного питания (ИБП/UPS)
Источники питания
Генераторные установки (электростанции)
Аккумуляторы
Трансформаторы
Взрывозащищенное оборудование
Источники электропитания взрывозащищенные
Барьеры искрозащиты
Системы видеонаблюдения взрывозащищенные
Оборудование СКУД взрывозащищенное
Модули пожаротушения взрывозащищенные
Изделия коммутационные взрывозащищенные
Извещатели и оповещатели взрывозащищенные
Термошкафы взрывозащищенные
Приборы приемно-контрольные взрывозащищенные
Прочие взрывозащищенные приборы
IT-направление
Телефония и Unified Communications
Серверы
Программное обеспечение
AutoIDC и электронное торговое оборудование
Отопление
Трубопроводная система PEX/EVOH
Шаровые краны
Балансировочные и термостатические клапаны
Коллекторные узлы
Приборы учёта
Изоляция для труб
Стальные панельные радиаторы
Котлы
Водоснабжение
Трубопроводная система PEX для водоснабжения
Трубопроводная система PPR
Приборы учёта
Редукторы давления
Балансировочные клапаны ГВС
Водоотведение
Чугунные трубы и фитинги SML К2
Канализация ВКПП К1
Акции
Калькулятор ОКЛ
Бренды
Сертификаты дилерства
Как купить
Условия оплаты
Условия доставки
Гарантия на товар
О компании
О компании
Новости
Обучение
Мероприятия
Участие в выставках
Вакансии
Сертификаты дилерства
Сертификаты соответствия
Контакты
Контакты
+7 (499) 340-14-78
+7 (499) 340-14-78Для оптовых покупателей
+7 (800) 550-20-81Для оптовых покупателей
+7 (499) 272-04-37Для поставщиков и оптовых покупателей
+7 (985) 051-96-09Ремонт
+7 (916) 017-84-41
Заказать звонок
Задать вопрос
info@mossb.ru
г. Москва, ул. Снежная, д. 26.
Мы в соцсетях: t.me/msb_ru
  • Telegram
  • WhatsApp
info@mossb.ru
Пн. – Пт.: с 9:00 до 18:00
+7 (499) 340-14-78
+7 (499) 340-14-78Для оптовых покупателей
+7 (800) 550-20-81Для оптовых покупателей
+7 (499) 272-04-37Для поставщиков и оптовых покупателей
+7 (985) 051-96-09Ремонт
+7 (916) 017-84-41
Заказать звонок
Каталог
Электроустановочные изделия
Электромонтажные изделия
Умный дом
Средства и системы охранно-пожарной сигнализации
Средства и системы охранного телевидения
Средства пожаротушения
Средства и системы оповещения, музыкальной трансляции
Средства и системы контроля и управления доступом (СКУД)
Сетевое оборудование
Светотехника
Оборудование СКС
Низковольтное оборудование
Компьютерное оборудование
Климатическое оборудование
Кабельно-проводниковая продукция
Инструмент
Кабеленесущие системы
Источники бесперебойного электропитания и АКБ
Взрывозащищенное оборудование
IT-направление
Отопление
Водоснабжение
Водоотведение
    • Розетки антенные, информационные, коммуникационные
    • Удлинители, розеточные блоки, разветвители, переходники
    • Электроустановочные устройства разного назначения
    • Выключатели, переключатели и диммеры
    • Вилки кабельные и приборные
    • Звонки, кнопки и аксессуары
    • Рамки, суппорты, адаптеры и декоративные элементы для ЭУИ
    • Аксессуары и компоненты для электроустановочных изделий
    • Выключатели с дистанционным управлением
    • Блоки комбинированные
    • Молниезащита
    • Электроустановочные датчики
    • Устройства управления жалюзи, звуком, сигнализацией, климатом
    • Таймеры
    • Розетки силовые
    • Кабельные наконечники и гильзы
    • Термоусаживаемые трубки
    • Маркировочные изделия
    • Кабельные вводы и сальники
    • Муфты
    • Изолента ПВХ
    • Соединители кабельные
    • Термоусаживаемые ленты
    • Защитные и ведущие системы для кабелей
    • Термоусаживаемые перчатки и капы
    • Пломбы, маркер кабельный
    • Ленты специальные
    • Аэрозоли, смазочные, герметезирующие и защитные составы
    • Лента сигнальная/оградительная
    • Лента монтажная
    • Изолента х/б
    • Сжимы и орехи
    • Разъемы кабельные
    • Трубка ТВ- (кембрик) ПВХ
    • Предупредительные знаки и наклейки
    • Датчики и сенсоры
    • Комплекты умного дома
    • Брелоки и пульты управления
    • Цоколи и патроны, умные лампы
    • Умные розетки, удлинители и выключатели
    • Терморегуляторы
    • Системы передачи извещений
    • Приборы приемно-контрольные
    • Радиоканальные системы
    • Пожарные оповещатели
    • Интегрированная система «ОРИОН» «Болид»
    • Пожарные извещатели и оповещатели
    • Адресная система ОПС «РУБЕЖ»
    • Цифровые системы видеоконтроля
    • Телекамеры
    • Передача сигналов
    • Объективы для камер видеонаблюдения
    • Видеорегистраторы
    • IP-видеосерверы
    • Аксессуары
    • Пожарные шкафы, щиты, подставки
    • Прочие средства пожаротушения
    • Огнетушители
    • Пенное пожаротушение
    • Порошковое пожаротушение
    • Модули ТРВ (тонко-распыленная вода)
    • Газовое пожаротушение
    • Аэрозольное пожаротушение
    • Пожарные рукава и арматура (головки, клапана, стволы)
    • Водяное пожаротушение
    • Автономные огнетушители
    • Системы оповещения о пожаре
    • Системы оповещения, музыкальной трансляции
    • Оборудование для защиты информации
    • Кнопки выхода
    • Доводчики
    • Биометрические СКУД
    • Ограждения
    • Готовые решения СКУД
    • Контроль периметра
    • Зеркала безопасности
    • Шлагбаумы и автоматика
    • Устройства для печати на пластиковых картах
    • Турникеты
    • Считыватели
    • СКУД автономные
    • СКУД сетевые
    • Калитки
    • Замки и электромеханические защелки
    • Идентификаторы
    • Досмотровое оборудование
    • Домофоны и переговорные устройства
    • Светофоры
    • Трансиверы (SFP-модули)
    • Программное обеспечение для сетевого оборудования
    • Прочее сетевое оборудование
    • Инжекторы и сплиттеры PoE
    • Оборудование для усиления сотовой связи
    • Модемы
    • Антенны
    • Удлинители Ethernet
    • Системы диспетчерской связи и вызова персонала
    • Сетевые коммутаторы
    • Оборудование Wi-Fi
    • Медиаконвертеры
    • Средства защиты информации
    • Сетевые адаптеры
    • Рации и аксессуары
    • Преобразователи интерфейса
    • Часофикация
    • Аварийное и ориентационное освещение
    • Световые шнуры, светодиодные ленты и комплектующие
    • Аксессуары для светотехники и вспомогательное оборудование
    • Прожекторы и светильники направленного света
    • Патроны(ламподержатели)
    • Иллюминация и декоративное освещение
    • Взрывобезопасные световые приборы
    • Оптоволоконные и струнные системы освещения
    • Опоры освещения
    • Светильники
    • Лампы(источник света)
    • Пускорегилирующая аппаратура и устройства питания для световых приборов
    • Фонари и переносные световые приборы
    • Трансформаторы для низковольтных систем освещения, блоки защиты ламп
    • Кабельные органайзеры
    • Коммутационные модули
    • Разъемы
    • Коммутационные розетки
    • Оптические панели и аксессуары
    • Патч-корды
    • Оборудование телефонии
    • Клеммы
    • Шинопровод
    • Предохранители
    • Низковольтные устройства различного назначения и аксессуары
    • Контрольно-измерительные устройства
    • Компоненты светосигнальной арматуры
    • Клеммные колодки
    • Измерительные приборы для установки в щит
    • Выключатели нагрузки(рубильники)
    • Щиты и шкафы
    • Системы контроля и учёта энергоресурсов
    • Технологические сенсоры
    • Приводная техника, насосы и электродвигатели
    • Пускорегулирующая аппаратура
    • Низковольтные разъемы
    • Автоматические выключатели
    • Автоматизация
    • Cветосигнальная арматура (кнопки, лампочки, переключатели)
    • Элементы управления для светосигнальной арматуры
    • Устройства оптической(световой) и аккустической(звуковой) сигнализации
    • Периферия и аксессуары
    • Ноутбуки и аксессуары
    • Компьютеры и ПО
    • Воздуховоды и вытяжки
    • Теплый пол
    • Аспирационные системы
    • Монтажные и расходные материалы
    • Защита протечки воды
    • Вентиляторы
    • Бойлеры и аксессуары
    • Системы антиобледенения
    • Обогреватели
    • Терморегуляторы
    • Радиаторы отопления
    • Погодные станции и сплит-системы
    • Отопительные котлы
    • Кабели для ОПС
    • Кабели и провода силовые, контрольные, прочие
    • Огнестойкие кабельные линии (ОКЛ)
    • Ручной инструмент
    • Инструмент для работы с кабелем
    • Аксессуары для электроинструмента
    • Прочий электроинструмент
    • Перфораторы
    • Пилы
    • Шуруповерты
    • Сварочное оборудование
    • Лобзики
    • Измерительные приборы и инструмент
    • Дрели
    • Штукатурно-малярный инструмент
    • Шлифмашинки
    • Граверы
    • Фены (термопистолеты)
    • Фрезеры
    • Пистолеты
    • Отбойные молотки
    • Ножницы по металлу
    • Лестницы и стремянки
    • Заклепочники
    • Гайковерты
    • Гвоздезабиватели (степлеры)
    • Болгарки
    • Аксессуары для пневмоинструмента
    • Электромонтажный инструмент
    • Паяльное оборудование
    • Магнитный инструмент
    • Рубанки
    • Хранение инструмента
    • Строительные пылесосы
    • Спецодежда и СИЗ
    • Инструмент для маркировки
    • Домкраты
    • Трубы для электропроводки и аксессуары
    • Металлорукава и аксессуары
    • Коробки монтажные
    • Металлические лотки и аксессуары
    • Кабель-каналы и аксессуары
    • Системы несущих конструкций
    • Стабилизаторы напряжения
    • Зарядные устройства
    • Дополнительное оборудование
    • Источники бесперебойного питания (ИБП/UPS)
    • Источники питания
    • Генераторные установки (электростанции)
    • Аккумуляторы
    • Трансформаторы
    • Источники электропитания взрывозащищенные
    • Барьеры искрозащиты
    • Системы видеонаблюдения взрывозащищенные
    • Оборудование СКУД взрывозащищенное
    • Модули пожаротушения взрывозащищенные
    • Изделия коммутационные взрывозащищенные
    • Извещатели и оповещатели взрывозащищенные
    • Термошкафы взрывозащищенные
    • Приборы приемно-контрольные взрывозащищенные
    • Прочие взрывозащищенные приборы
    • Телефония и Unified Communications
    • Серверы
    • Программное обеспечение
    • AutoIDC и электронное торговое оборудование
    • Трубопроводная система PEX/EVOH
    • Шаровые краны
    • Балансировочные и термостатические клапаны
    • Коллекторные узлы
    • Приборы учёта
    • Изоляция для труб
    • Стальные панельные радиаторы
    • Котлы
    • Трубопроводная система PEX для водоснабжения
    • Трубопроводная система PPR
    • Приборы учёта
    • Редукторы давления
    • Балансировочные клапаны ГВС
    • Чугунные трубы и фитинги SML К2
    • Канализация ВКПП К1
Акции
Калькулятор ОКЛ
Бренды
Сертификаты дилерства
Как купить
  • Условия оплаты
  • Условия доставки
  • Гарантия на товар
О компании
  • О компании
  • Новости
  • Обучение
  • Мероприятия
  • Участие в выставках
  • Вакансии
  • Сертификаты дилерства
  • Сертификаты соответствия
  • Контакты
Контакты
+  ЕЩЕ
    Каталог
    Электроустановочные изделия
    Электромонтажные изделия
    Умный дом
    Средства и системы охранно-пожарной сигнализации
    Средства и системы охранного телевидения
    Средства пожаротушения
    Средства и системы оповещения, музыкальной трансляции
    Средства и системы контроля и управления доступом (СКУД)
    Сетевое оборудование
    Светотехника
    Оборудование СКС
    Низковольтное оборудование
    Компьютерное оборудование
    Климатическое оборудование
    Кабельно-проводниковая продукция
    Инструмент
    Кабеленесущие системы
    Источники бесперебойного электропитания и АКБ
    Взрывозащищенное оборудование
    IT-направление
    Отопление
    Водоснабжение
    Водоотведение
      • Розетки антенные, информационные, коммуникационные
      • Удлинители, розеточные блоки, разветвители, переходники
      • Электроустановочные устройства разного назначения
      • Выключатели, переключатели и диммеры
      • Вилки кабельные и приборные
      • Звонки, кнопки и аксессуары
      • Рамки, суппорты, адаптеры и декоративные элементы для ЭУИ
      • Аксессуары и компоненты для электроустановочных изделий
      • Выключатели с дистанционным управлением
      • Блоки комбинированные
      • Молниезащита
      • Электроустановочные датчики
      • Устройства управления жалюзи, звуком, сигнализацией, климатом
      • Таймеры
      • Розетки силовые
      • Кабельные наконечники и гильзы
      • Термоусаживаемые трубки
      • Маркировочные изделия
      • Кабельные вводы и сальники
      • Муфты
      • Изолента ПВХ
      • Соединители кабельные
      • Термоусаживаемые ленты
      • Защитные и ведущие системы для кабелей
      • Термоусаживаемые перчатки и капы
      • Пломбы, маркер кабельный
      • Ленты специальные
      • Аэрозоли, смазочные, герметезирующие и защитные составы
      • Лента сигнальная/оградительная
      • Лента монтажная
      • Изолента х/б
      • Сжимы и орехи
      • Разъемы кабельные
      • Трубка ТВ- (кембрик) ПВХ
      • Предупредительные знаки и наклейки
      • Датчики и сенсоры
      • Комплекты умного дома
      • Брелоки и пульты управления
      • Цоколи и патроны, умные лампы
      • Умные розетки, удлинители и выключатели
      • Терморегуляторы
      • Системы передачи извещений
      • Приборы приемно-контрольные
      • Радиоканальные системы
      • Пожарные оповещатели
      • Интегрированная система «ОРИОН» «Болид»
      • Пожарные извещатели и оповещатели
      • Адресная система ОПС «РУБЕЖ»
      • Цифровые системы видеоконтроля
      • Телекамеры
      • Передача сигналов
      • Объективы для камер видеонаблюдения
      • Видеорегистраторы
      • IP-видеосерверы
      • Аксессуары
      • Пожарные шкафы, щиты, подставки
      • Прочие средства пожаротушения
      • Огнетушители
      • Пенное пожаротушение
      • Порошковое пожаротушение
      • Модули ТРВ (тонко-распыленная вода)
      • Газовое пожаротушение
      • Аэрозольное пожаротушение
      • Пожарные рукава и арматура (головки, клапана, стволы)
      • Водяное пожаротушение
      • Автономные огнетушители
      • Системы оповещения о пожаре
      • Системы оповещения, музыкальной трансляции
      • Оборудование для защиты информации
      • Кнопки выхода
      • Доводчики
      • Биометрические СКУД
      • Ограждения
      • Готовые решения СКУД
      • Контроль периметра
      • Зеркала безопасности
      • Шлагбаумы и автоматика
      • Устройства для печати на пластиковых картах
      • Турникеты
      • Считыватели
      • СКУД автономные
      • СКУД сетевые
      • Калитки
      • Замки и электромеханические защелки
      • Идентификаторы
      • Досмотровое оборудование
      • Домофоны и переговорные устройства
      • Светофоры
      • Трансиверы (SFP-модули)
      • Программное обеспечение для сетевого оборудования
      • Прочее сетевое оборудование
      • Инжекторы и сплиттеры PoE
      • Оборудование для усиления сотовой связи
      • Модемы
      • Антенны
      • Удлинители Ethernet
      • Системы диспетчерской связи и вызова персонала
      • Сетевые коммутаторы
      • Оборудование Wi-Fi
      • Медиаконвертеры
      • Средства защиты информации
      • Сетевые адаптеры
      • Рации и аксессуары
      • Преобразователи интерфейса
      • Часофикация
      • Аварийное и ориентационное освещение
      • Световые шнуры, светодиодные ленты и комплектующие
      • Аксессуары для светотехники и вспомогательное оборудование
      • Прожекторы и светильники направленного света
      • Патроны(ламподержатели)
      • Иллюминация и декоративное освещение
      • Взрывобезопасные световые приборы
      • Оптоволоконные и струнные системы освещения
      • Опоры освещения
      • Светильники
      • Лампы(источник света)
      • Пускорегилирующая аппаратура и устройства питания для световых приборов
      • Фонари и переносные световые приборы
      • Трансформаторы для низковольтных систем освещения, блоки защиты ламп
      • Кабельные органайзеры
      • Коммутационные модули
      • Разъемы
      • Коммутационные розетки
      • Оптические панели и аксессуары
      • Патч-корды
      • Оборудование телефонии
      • Клеммы
      • Шинопровод
      • Предохранители
      • Низковольтные устройства различного назначения и аксессуары
      • Контрольно-измерительные устройства
      • Компоненты светосигнальной арматуры
      • Клеммные колодки
      • Измерительные приборы для установки в щит
      • Выключатели нагрузки(рубильники)
      • Щиты и шкафы
      • Системы контроля и учёта энергоресурсов
      • Технологические сенсоры
      • Приводная техника, насосы и электродвигатели
      • Пускорегулирующая аппаратура
      • Низковольтные разъемы
      • Автоматические выключатели
      • Автоматизация
      • Cветосигнальная арматура (кнопки, лампочки, переключатели)
      • Элементы управления для светосигнальной арматуры
      • Устройства оптической(световой) и аккустической(звуковой) сигнализации
      • Периферия и аксессуары
      • Ноутбуки и аксессуары
      • Компьютеры и ПО
      • Воздуховоды и вытяжки
      • Теплый пол
      • Аспирационные системы
      • Монтажные и расходные материалы
      • Защита протечки воды
      • Вентиляторы
      • Бойлеры и аксессуары
      • Системы антиобледенения
      • Обогреватели
      • Терморегуляторы
      • Радиаторы отопления
      • Погодные станции и сплит-системы
      • Отопительные котлы
      • Кабели для ОПС
      • Кабели и провода силовые, контрольные, прочие
      • Огнестойкие кабельные линии (ОКЛ)
      • Ручной инструмент
      • Инструмент для работы с кабелем
      • Аксессуары для электроинструмента
      • Прочий электроинструмент
      • Перфораторы
      • Пилы
      • Шуруповерты
      • Сварочное оборудование
      • Лобзики
      • Измерительные приборы и инструмент
      • Дрели
      • Штукатурно-малярный инструмент
      • Шлифмашинки
      • Граверы
      • Фены (термопистолеты)
      • Фрезеры
      • Пистолеты
      • Отбойные молотки
      • Ножницы по металлу
      • Лестницы и стремянки
      • Заклепочники
      • Гайковерты
      • Гвоздезабиватели (степлеры)
      • Болгарки
      • Аксессуары для пневмоинструмента
      • Электромонтажный инструмент
      • Паяльное оборудование
      • Магнитный инструмент
      • Рубанки
      • Хранение инструмента
      • Строительные пылесосы
      • Спецодежда и СИЗ
      • Инструмент для маркировки
      • Домкраты
      • Трубы для электропроводки и аксессуары
      • Металлорукава и аксессуары
      • Коробки монтажные
      • Металлические лотки и аксессуары
      • Кабель-каналы и аксессуары
      • Системы несущих конструкций
      • Стабилизаторы напряжения
      • Зарядные устройства
      • Дополнительное оборудование
      • Источники бесперебойного питания (ИБП/UPS)
      • Источники питания
      • Генераторные установки (электростанции)
      • Аккумуляторы
      • Трансформаторы
      • Источники электропитания взрывозащищенные
      • Барьеры искрозащиты
      • Системы видеонаблюдения взрывозащищенные
      • Оборудование СКУД взрывозащищенное
      • Модули пожаротушения взрывозащищенные
      • Изделия коммутационные взрывозащищенные
      • Извещатели и оповещатели взрывозащищенные
      • Термошкафы взрывозащищенные
      • Приборы приемно-контрольные взрывозащищенные
      • Прочие взрывозащищенные приборы
      • Телефония и Unified Communications
      • Серверы
      • Программное обеспечение
      • AutoIDC и электронное торговое оборудование
      • Трубопроводная система PEX/EVOH
      • Шаровые краны
      • Балансировочные и термостатические клапаны
      • Коллекторные узлы
      • Приборы учёта
      • Изоляция для труб
      • Стальные панельные радиаторы
      • Котлы
      • Трубопроводная система PEX для водоснабжения
      • Трубопроводная система PPR
      • Приборы учёта
      • Редукторы давления
      • Балансировочные клапаны ГВС
      • Чугунные трубы и фитинги SML К2
      • Канализация ВКПП К1
    Акции
    Калькулятор ОКЛ
    Бренды
    Сертификаты дилерства
    Как купить
    • Условия оплаты
    • Условия доставки
    • Гарантия на товар
    О компании
    • О компании
    • Новости
    • Обучение
    • Мероприятия
    • Участие в выставках
    • Вакансии
    • Сертификаты дилерства
    • Сертификаты соответствия
    • Контакты
    Контакты
    +  ЕЩЕ
      Телефоны
      +7 (499) 340-14-78Для оптовых покупателей
      +7 (800) 550-20-81Для оптовых покупателей
      +7 (499) 272-04-37Для поставщиков и оптовых покупателей
      +7 (985) 051-96-09Ремонт
      +7 (916) 017-84-41
      Заказать звонок
      • Каталог
        • Назад
        • Каталог
        • Электроустановочные изделия
          • Назад
          • Электроустановочные изделия
          • Розетки антенные, информационные, коммуникационные
          • Удлинители, розеточные блоки, разветвители, переходники
          • Электроустановочные устройства разного назначения
          • Выключатели, переключатели и диммеры
          • Вилки кабельные и приборные
          • Звонки, кнопки и аксессуары
          • Рамки, суппорты, адаптеры и декоративные элементы для ЭУИ
          • Аксессуары и компоненты для электроустановочных изделий
          • Выключатели с дистанционным управлением
          • Блоки комбинированные
          • Молниезащита
          • Электроустановочные датчики
          • Устройства управления жалюзи, звуком, сигнализацией, климатом
          • Таймеры
          • Розетки силовые
        • Электромонтажные изделия
          • Назад
          • Электромонтажные изделия
          • Кабельные наконечники и гильзы
          • Термоусаживаемые трубки
          • Маркировочные изделия
          • Кабельные вводы и сальники
          • Муфты
          • Изолента ПВХ
          • Соединители кабельные
          • Термоусаживаемые ленты
          • Защитные и ведущие системы для кабелей
          • Термоусаживаемые перчатки и капы
          • Пломбы, маркер кабельный
          • Ленты специальные
          • Аэрозоли, смазочные, герметезирующие и защитные составы
          • Лента сигнальная/оградительная
          • Лента монтажная
          • Изолента х/б
          • Сжимы и орехи
          • Разъемы кабельные
          • Трубка ТВ- (кембрик) ПВХ
          • Предупредительные знаки и наклейки
        • Умный дом
          • Назад
          • Умный дом
          • Датчики и сенсоры
          • Комплекты умного дома
          • Брелоки и пульты управления
          • Цоколи и патроны, умные лампы
          • Умные розетки, удлинители и выключатели
          • Терморегуляторы
        • Средства и системы охранно-пожарной сигнализации
          • Назад
          • Средства и системы охранно-пожарной сигнализации
          • Системы передачи извещений
          • Приборы приемно-контрольные
          • Радиоканальные системы
          • Пожарные оповещатели
          • Интегрированная система «ОРИОН» «Болид»
          • Пожарные извещатели и оповещатели
          • Адресная система ОПС «РУБЕЖ»
        • Средства и системы охранного телевидения
          • Назад
          • Средства и системы охранного телевидения
          • Цифровые системы видеоконтроля
          • Телекамеры
          • Передача сигналов
          • Объективы для камер видеонаблюдения
          • Видеорегистраторы
          • IP-видеосерверы
          • Аксессуары
        • Средства пожаротушения
          • Назад
          • Средства пожаротушения
          • Пожарные шкафы, щиты, подставки
          • Прочие средства пожаротушения
          • Огнетушители
          • Пенное пожаротушение
          • Порошковое пожаротушение
          • Модули ТРВ (тонко-распыленная вода)
          • Газовое пожаротушение
          • Аэрозольное пожаротушение
          • Пожарные рукава и арматура (головки, клапана, стволы)
          • Водяное пожаротушение
          • Автономные огнетушители
        • Средства и системы оповещения, музыкальной трансляции
          • Назад
          • Средства и системы оповещения, музыкальной трансляции
          • Системы оповещения о пожаре
          • Системы оповещения, музыкальной трансляции
          • Оборудование для защиты информации
        • Средства и системы контроля и управления доступом (СКУД)
          • Назад
          • Средства и системы контроля и управления доступом (СКУД)
          • Кнопки выхода
          • Доводчики
          • Биометрические СКУД
          • Ограждения
          • Готовые решения СКУД
          • Контроль периметра
          • Зеркала безопасности
          • Шлагбаумы и автоматика
          • Устройства для печати на пластиковых картах
          • Турникеты
          • Считыватели
          • СКУД автономные
          • СКУД сетевые
          • Калитки
          • Замки и электромеханические защелки
          • Идентификаторы
          • Досмотровое оборудование
          • Домофоны и переговорные устройства
          • Светофоры
        • Сетевое оборудование
          • Назад
          • Сетевое оборудование
          • Трансиверы (SFP-модули)
          • Программное обеспечение для сетевого оборудования
          • Прочее сетевое оборудование
          • Инжекторы и сплиттеры PoE
          • Оборудование для усиления сотовой связи
          • Модемы
          • Антенны
          • Удлинители Ethernet
          • Системы диспетчерской связи и вызова персонала
          • Сетевые коммутаторы
          • Оборудование Wi-Fi
          • Медиаконвертеры
          • Средства защиты информации
          • Сетевые адаптеры
          • Рации и аксессуары
          • Преобразователи интерфейса
          • Часофикация
        • Светотехника
          • Назад
          • Светотехника
          • Аварийное и ориентационное освещение
          • Световые шнуры, светодиодные ленты и комплектующие
          • Аксессуары для светотехники и вспомогательное оборудование
          • Прожекторы и светильники направленного света
          • Патроны(ламподержатели)
          • Иллюминация и декоративное освещение
          • Взрывобезопасные световые приборы
          • Оптоволоконные и струнные системы освещения
          • Опоры освещения
          • Светильники
          • Лампы(источник света)
          • Пускорегилирующая аппаратура и устройства питания для световых приборов
          • Фонари и переносные световые приборы
          • Трансформаторы для низковольтных систем освещения, блоки защиты ламп
        • Оборудование СКС
          • Назад
          • Оборудование СКС
          • Кабельные органайзеры
          • Коммутационные модули
          • Разъемы
          • Коммутационные розетки
          • Оптические панели и аксессуары
          • Патч-корды
          • Оборудование телефонии
        • Низковольтное оборудование
          • Назад
          • Низковольтное оборудование
          • Клеммы
          • Шинопровод
          • Предохранители
          • Низковольтные устройства различного назначения и аксессуары
          • Контрольно-измерительные устройства
          • Компоненты светосигнальной арматуры
          • Клеммные колодки
          • Измерительные приборы для установки в щит
          • Выключатели нагрузки(рубильники)
          • Щиты и шкафы
          • Системы контроля и учёта энергоресурсов
          • Технологические сенсоры
          • Приводная техника, насосы и электродвигатели
          • Пускорегулирующая аппаратура
          • Низковольтные разъемы
          • Автоматические выключатели
          • Автоматизация
          • Cветосигнальная арматура (кнопки, лампочки, переключатели)
          • Элементы управления для светосигнальной арматуры
          • Устройства оптической(световой) и аккустической(звуковой) сигнализации
        • Компьютерное оборудование
          • Назад
          • Компьютерное оборудование
          • Периферия и аксессуары
          • Ноутбуки и аксессуары
          • Компьютеры и ПО
        • Климатическое оборудование
          • Назад
          • Климатическое оборудование
          • Воздуховоды и вытяжки
          • Теплый пол
          • Аспирационные системы
          • Монтажные и расходные материалы
          • Защита протечки воды
          • Вентиляторы
          • Бойлеры и аксессуары
          • Системы антиобледенения
          • Обогреватели
          • Терморегуляторы
          • Радиаторы отопления
          • Погодные станции и сплит-системы
          • Отопительные котлы
        • Кабельно-проводниковая продукция
          • Назад
          • Кабельно-проводниковая продукция
          • Кабели для ОПС
          • Кабели и провода силовые, контрольные, прочие
          • Огнестойкие кабельные линии (ОКЛ)
        • Инструмент
          • Назад
          • Инструмент
          • Ручной инструмент
          • Инструмент для работы с кабелем
          • Аксессуары для электроинструмента
          • Прочий электроинструмент
          • Перфораторы
          • Пилы
          • Шуруповерты
          • Сварочное оборудование
          • Лобзики
          • Измерительные приборы и инструмент
          • Дрели
          • Штукатурно-малярный инструмент
          • Шлифмашинки
          • Граверы
          • Фены (термопистолеты)
          • Фрезеры
          • Пистолеты
          • Отбойные молотки
          • Ножницы по металлу
          • Лестницы и стремянки
          • Заклепочники
          • Гайковерты
          • Гвоздезабиватели (степлеры)
          • Болгарки
          • Аксессуары для пневмоинструмента
          • Электромонтажный инструмент
          • Паяльное оборудование
          • Магнитный инструмент
          • Рубанки
          • Хранение инструмента
          • Строительные пылесосы
          • Спецодежда и СИЗ
          • Инструмент для маркировки
          • Домкраты
        • Кабеленесущие системы
          • Назад
          • Кабеленесущие системы
          • Трубы для электропроводки и аксессуары
          • Металлорукава и аксессуары
          • Коробки монтажные
          • Металлические лотки и аксессуары
          • Кабель-каналы и аксессуары
          • Системы несущих конструкций
        • Источники бесперебойного электропитания и АКБ
          • Назад
          • Источники бесперебойного электропитания и АКБ
          • Стабилизаторы напряжения
          • Зарядные устройства
          • Дополнительное оборудование
          • Источники бесперебойного питания (ИБП/UPS)
          • Источники питания
          • Генераторные установки (электростанции)
          • Аккумуляторы
          • Трансформаторы
        • Взрывозащищенное оборудование
          • Назад
          • Взрывозащищенное оборудование
          • Источники электропитания взрывозащищенные
          • Барьеры искрозащиты
          • Системы видеонаблюдения взрывозащищенные
          • Оборудование СКУД взрывозащищенное
          • Модули пожаротушения взрывозащищенные
          • Изделия коммутационные взрывозащищенные
          • Извещатели и оповещатели взрывозащищенные
          • Термошкафы взрывозащищенные
          • Приборы приемно-контрольные взрывозащищенные
          • Прочие взрывозащищенные приборы
        • IT-направление
          • Назад
          • IT-направление
          • Телефония и Unified Communications
          • Серверы
          • Программное обеспечение
          • AutoIDC и электронное торговое оборудование
        • Отопление
          • Назад
          • Отопление
          • Трубопроводная система PEX/EVOH
          • Шаровые краны
          • Балансировочные и термостатические клапаны
          • Коллекторные узлы
          • Приборы учёта
          • Изоляция для труб
          • Стальные панельные радиаторы
          • Котлы
        • Водоснабжение
          • Назад
          • Водоснабжение
          • Трубопроводная система PEX для водоснабжения
          • Трубопроводная система PPR
          • Приборы учёта
          • Редукторы давления
          • Балансировочные клапаны ГВС
        • Водоотведение
          • Назад
          • Водоотведение
          • Чугунные трубы и фитинги SML К2
          • Канализация ВКПП К1
      • Акции
      • Калькулятор ОКЛ
      • Бренды
      • Сертификаты дилерства
      • Как купить
        • Назад
        • Как купить
        • Условия оплаты
        • Условия доставки
        • Гарантия на товар
      • О компании
        • Назад
        • О компании
        • О компании
        • Новости
        • Обучение
        • Мероприятия
        • Участие в выставках
        • Вакансии
        • Сертификаты дилерства
        • Сертификаты соответствия
        • Контакты
      • Контакты
      • +7 (499) 340-14-78Для оптовых покупателей
        • Назад
        • Телефоны
        • +7 (499) 340-14-78Для оптовых покупателей
        • +7 (800) 550-20-81Для оптовых покупателей
        • +7 (499) 272-04-37Для поставщиков и оптовых покупателей
        • +7 (985) 051-96-09Ремонт
        • +7 (916) 017-84-41
        • Заказать звонок
      Контактная информация
      г. Москва, ул. Снежная, д. 26.
      Мы в соцсетях: t.me/msb_ru
      info@mossb.ru
      • Telegram
      • WhatsApp
      Бесплатно подберем оборудование по Вашей заявке.
      Актуальность цены уточняйте у операторов!

      Адресная система ОПС «РУБЕЖ»

      Главная
      —
      Каталог
      —
      Средства и системы охранно-пожарной сигнализации
      —Адресная система ОПС «РУБЕЖ»
      Автоматика дымоудаления ОПС «РУБЕЖ»
      Автоматика дымоудаления ОПС «РУБЕЖ»
      Блоки индикации и управления
      Блоки индикации и управления
      Дополнительное оборудование ОПС «РУБЕЖ»
      Дополнительное оборудование ОПС «РУБЕЖ»
      Извещатели охранные для помещений
      Извещатели охранные для помещений
      Извещатели поверхностно-звуковые
      Извещатели поверхностно-звуковые
      Модули сопряжения и связи ОПС «РУБЕЖ»
      Модули сопряжения и связи ОПС «РУБЕЖ»
      Приборы приемно-контрольные «РУБЕЖ»
      Приборы приемно-контрольные «РУБЕЖ»
      Программное обеспечение РУБЕЖ
      Программное обеспечение РУБЕЖ
      Фильтр
      По умолчанию
      По популярности (убывание)
      По популярности (возрастание)
      По алфавиту (убывание)
      По алфавиту (возрастание)
      По цене (убывание)
      По цене (возрастание)
      По умолчанию
      Фильтр:
      Сортировка
      По умолчанию (убывание)
      • По популярности (возрастание)
      • По популярности (убывание)
      • По алфавиту (возрастание)
      • По алфавиту (убывание)
      • По цене (возрастание)
      • По цене (убывание)
      • По умолчанию (возрастание)
      • По умолчанию (убывание)
      Цена
      Цена
      133
      145 445
      290 757
      436 069
      581 381
      Показать
      Тип устройства
      Показать
      Световая индикация
      Показать
      Тип используемого аккумулятора
      Показать все
      Показать
      Количество аккумуляторов, шт
      Показать
      Ток заряда аккумуляторной батареи, А
      Показать все
      Показать
      Диапазон рабочих температур, °С
      Показать
      Защита от короткого замыкания
      Показать все
      Показать
      Степень защиты
      Показать
      Бренд
      Показать
      Материал
      Показать
      Выбрано: 0 Показать
      Выбрано: 0 Показать
      ИЗ-1Б-R3 L1.42 Изолятор шлейфа базовый
      ИЗ-1Б-R3 L1.42 Изолятор шлейфа базовый
      В наличии
      Арт.: Rbz-382431
      Производитель: Рубеж
      585 руб./шт
      Варианты цен
      585 руб./шт
      Подробности
      Уточнить цену
      Наши менеджеры обязательно свяжутся с вами и уточнят условия заказа
      ИЗ-1-R3 Изолятор шлейфа ИЗ-1-R3 Изолятор шлейфа
      ИЗ-1-R3 Изолятор шлейфа
      В наличии
      Остаток поставщика: 21 шт
      Арт.: Rbz-337647
      Производитель: Рубеж
      681 руб./шт
      Варианты цен
      681 руб./шт
      Подробности
      Уточнить цену
      Наши менеджеры обязательно свяжутся с вами и уточнят условия заказа
      РМ-1-R3 Модуль релейный РМ-1-R3 Модуль релейный
      РМ-1-R3 Модуль релейный
      В наличии
      Арт.: Rbz-337646
      Производитель: Рубеж
      1 503 руб./шт
      Варианты цен
      1 503 руб./шт
      Подробности
      Уточнить цену
      Наши менеджеры обязательно свяжутся с вами и уточнят условия заказа
      МДУ-1С-R3 Модуль автоматики дымоудаления МДУ-1С-R3 Модуль автоматики дымоудаления
      МДУ-1С-R3 Модуль автоматики дымоудаления
      В наличии
      Остаток поставщика: 70 шт
      Арт.: Rbz-337610
      Производитель: Рубеж
      4 150 руб./шт
      Варианты цен
      4 150 руб./шт
      Подробности
      Уточнить цену
      Наши менеджеры обязательно свяжутся с вами и уточнят условия заказа
      АМ-1-R3 Метка адресная АМ-1-R3 Метка адресная
      АМ-1-R3 Метка адресная
      В наличии
      Арт.: Rbz-337436
      Производитель: Рубеж
      942 руб./шт
      Варианты цен
      942 руб./шт
      Подробности
      Уточнить цену
      Наши менеджеры обязательно свяжутся с вами и уточнят условия заказа
      ИО30920-2 (ИК, пассивный, штора) Извещатель охранный оптико-электронный адресный ИО30920-2 (ИК, пассивный, штора) Извещатель охранный оптико-электронный адресный
      ИО30920-2 (ИК, пассивный, штора) Извещатель охранный оптико-электронный адресный
      В наличии
      Остаток поставщика: 1 700 шт
      Арт.: Rbz-340291
      Производитель: Рубеж
      2 182 руб./шт
      Варианты цен
      2 182 руб./шт
      Подробности
      Уточнить цену
      Наши менеджеры обязательно свяжутся с вами и уточнят условия заказа
      РМ-1К-R3 Модуль релейный РМ-1К-R3 Модуль релейный
      РМ-1К-R3 Модуль релейный
      В наличии
      Арт.: Rbz-337614
      Производитель: Рубеж
      3 108 руб./шт
      Варианты цен
      3 108 руб./шт
      Подробности
      Уточнить цену
      Наши менеджеры обязательно свяжутся с вами и уточнят условия заказа
      РМ-4К-R3 Модуль релейный РМ-4К-R3 Модуль релейный
      РМ-4К-R3 Модуль релейный
      В наличии
      Арт.: Rbz-337438
      Производитель: Рубеж
      4 672 руб./шт
      Варианты цен
      4 672 руб./шт
      Подробности
      Уточнить цену
      Наши менеджеры обязательно свяжутся с вами и уточнят условия заказа
      АМ-4-R3 Метка адресная АМ-4-R3 Метка адресная
      АМ-4-R3 Метка адресная
      В наличии
      Арт.: Rbz-337644
      Производитель: Рубеж
      1 683 руб./шт
      Варианты цен
      1 683 руб./шт
      Подробности
      Уточнить цену
      Наши менеджеры обязательно свяжутся с вами и уточнят условия заказа
      КМЧ для ИО 10220-2 Для крепления на металлическую поверхность КМЧ для ИО 10220-2 Для крепления на металлическую поверхность
      КМЧ для ИО 10220-2 Для крепления на металлическую поверхность
      В наличии
      Арт.: Rbz-235151
      Производитель: Рубеж
      Уточняйте цену
      Уточнить цену
      Наши менеджеры обязательно свяжутся с вами и уточнят условия заказа
      РМ-4-R3 Модуль релейный РМ-4-R3 Модуль релейный
      РМ-4-R3 Модуль релейный
      В наличии
      Арт.: Rbz-337434
      Производитель: Рубеж
      3 675 руб./шт
      Варианты цен
      3 675 руб./шт
      Подробности
      Уточнить цену
      Наши менеджеры обязательно свяжутся с вами и уточнят условия заказа
      R3-Рубеж-2ОП (R3-Link) Прибор приемно-контрольный и управления R3-Рубеж-2ОП (R3-Link) Прибор приемно-контрольный и управления R3-Рубеж-2ОП (R3-Link) Прибор приемно-контрольный и управления
      R3-Рубеж-2ОП (R3-Link) Прибор приемно-контрольный и управления
      В наличии
      Арт.: Rbz-319538
      Производитель: Рубеж
      42 981 руб./шт
      Варианты цен
      42 981 руб./шт
      Подробности
      Уточнить цену
      Наши менеджеры обязательно свяжутся с вами и уточнят условия заказа
      РМ-1С-R3 Модуль релейный
      РМ-1С-R3 Модуль релейный
      В наличии
      Арт.: Rbz-337648
      Производитель: Рубеж
      2 994 руб./шт
      Варианты цен
      2 994 руб./шт
      Подробности
      Уточнить цену
      Наши менеджеры обязательно свяжутся с вами и уточнят условия заказа
      УПН Устройство подключения нагрузки
      УПН Устройство подключения нагрузки
      В наличии
      Арт.: Rbz-104991
      Производитель: Рубеж
      236 руб./шт
      Варианты цен
      236 руб./шт
      Подробности
      Уточнить цену
      Наши менеджеры обязательно свяжутся с вами и уточнят условия заказа
      Элемент питания типа "Крона" (в упаковке)
      Элемент питания типа "Крона" (в упаковке)
      В наличии
      Арт.: Rbz-306607
      Производитель: Рубеж
      Уточняйте цену
      Уточнить цену
      Наши менеджеры обязательно свяжутся с вами и уточнят условия заказа
      МПТ-1-R3 Модуль автоматики пожаротушения МПТ-1-R3 Модуль автоматики пожаротушения
      МПТ-1-R3 Модуль автоматики пожаротушения
      В наличии
      Арт.: Rbz-337611
      Производитель: Рубеж
      7 394 руб./шт
      Варианты цен
      7 394 руб./шт
      Подробности
      Уточнить цену
      Наши менеджеры обязательно свяжутся с вами и уточнят условия заказа
      R3-Рубеж-БИУ (R3-Link) Блок индикации и управления R3-Рубеж-БИУ (R3-Link) Блок индикации и управления
      R3-Рубеж-БИУ (R3-Link) Блок индикации и управления
      В наличии
      Арт.: Rbz-319531
      Производитель: Рубеж
      21 132 руб./шт
      Варианты цен
      21 132 руб./шт
      Подробности
      Уточнить цену
      Наши менеджеры обязательно свяжутся с вами и уточнят условия заказа
      ПКУ-1-R3 Программатор адресных устройств
      ПКУ-1-R3 Программатор адресных устройств
      В наличии
      Арт.: Rbz-354077
      Производитель: Рубеж
      7 776 руб./шт
      Варианты цен
      7 776 руб./шт
      Подробности
      Уточнить цену
      Наши менеджеры обязательно свяжутся с вами и уточнят условия заказа
      ЭДУ-ПТ Элемент дистанционного управления ЭДУ-ПТ Элемент дистанционного управления
      ЭДУ-ПТ Элемент дистанционного управления
      В наличии
      Остаток поставщика: 1 шт
      Арт.: Rbz-110016
      Производитель: Рубеж
      3 648 руб./шт
      Варианты цен
      3 648 руб./шт
      Подробности
      Уточнить цену
      Наши менеджеры обязательно свяжутся с вами и уточнят условия заказа
      ИВЭПР 12/5 RS-R3 2х7 БР
      ИВЭПР 12/5 RS-R3 2х7 БР
      В наличии
      Остаток поставщика: 500 шт
      Арт.: Rbz-216604
      Производитель: Рубеж
      10 614 руб./шт
      Варианты цен
      10 614 руб./шт
      Подробности
      Уточнить цену
      Наши менеджеры обязательно свяжутся с вами и уточнят условия заказа
      Показать еще
      1 2 3 ... 14

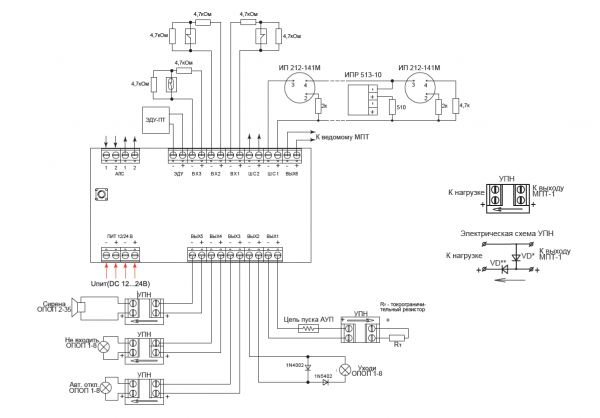
      Система охранной сигнализации «РУБЕЖ» обеспечивает управление противопожарной автоматикой, устройствами удаления дыма и оповещения. Также выполняет сбор, обработку и передачу информации о событиях на объекте. Конфигурация охранной сигнализации «РУБЕЖ» предусматривает деление объекта на зоны. Последние могут быть как отдельным помещением, коридором, так и целым этажом. В каждой зоне можно установить определенное количество адресных пожарных извещателей.

      Возможности современных технологий

      • Система охранной сигнализации «РУБЕЖ» имеет гибкую программируемую логику управления. Пользователь может самостоятельно настраивать алгоритм работы оборудования без необходимости обращаться к разработчикам.
      • Архитектура реализована на децентрализованном подходе, при котором все охранно-пожарные устройства имеют равные права и могут работать автономно. Координатором управления всей системой является персональный компьютер (сервер).
      • Настройка и наблюдение за работой охранной сигнализации «РУБЕЖ» осуществляется с использованием ПО FireSec, которое можно установить на удаленных рабочих местах. При этом количество клиентов, подключенных через локальную сеть, не ограничено.

      У нас можно купить охранные системы с быстрой доставкой в Москве.

      Каталог
      • Электроустановочные изделия
        • Розетки антенные, информационные, коммуникационные
        • Удлинители, розеточные блоки, разветвители, переходники
        • Электроустановочные устройства разного назначения
        • Выключатели, переключатели и диммеры
        • Вилки кабельные и приборные
        • Звонки, кнопки и аксессуары
        • Рамки, суппорты, адаптеры и декоративные элементы для ЭУИ
        • Аксессуары и компоненты для электроустановочных изделий
        • Выключатели с дистанционным управлением
        • Блоки комбинированные
        • Молниезащита
        • Электроустановочные датчики
        • Устройства управления жалюзи, звуком, сигнализацией, климатом
        • Таймеры
        • Розетки силовые
      • Электромонтажные изделия
        • Кабельные наконечники и гильзы
        • Термоусаживаемые трубки
        • Маркировочные изделия
        • Кабельные вводы и сальники
        • Муфты
        • Изолента ПВХ
        • Соединители кабельные
        • Термоусаживаемые ленты
        • Защитные и ведущие системы для кабелей
        • Термоусаживаемые перчатки и капы
        • Пломбы, маркер кабельный
        • Ленты специальные
        • Аэрозоли, смазочные, герметезирующие и защитные составы
        • Лента сигнальная/оградительная
        • Лента монтажная
        • Изолента х/б
        • Сжимы и орехи
        • Разъемы кабельные
        • Трубка ТВ- (кембрик) ПВХ
        • Предупредительные знаки и наклейки
      • Умный дом
        • Датчики и сенсоры
        • Комплекты умного дома
        • Брелоки и пульты управления
        • Цоколи и патроны, умные лампы
        • Умные розетки, удлинители и выключатели
        • Терморегуляторы
      • Средства и системы охранно-пожарной сигнализации
        • Системы передачи извещений
        • Приборы приемно-контрольные
        • Радиоканальные системы
        • Пожарные оповещатели
        • Интегрированная система «ОРИОН» «Болид»
        • Пожарные извещатели и оповещатели
        • Адресная система ОПС «РУБЕЖ»
      • Средства и системы охранного телевидения
        • Цифровые системы видеоконтроля
        • Телекамеры
        • Передача сигналов
        • Объективы для камер видеонаблюдения
        • Видеорегистраторы
        • IP-видеосерверы
        • Аксессуары
      • Средства пожаротушения
        • Пожарные шкафы, щиты, подставки
        • Прочие средства пожаротушения
        • Огнетушители
        • Пенное пожаротушение
        • Порошковое пожаротушение
        • Модули ТРВ (тонко-распыленная вода)
        • Газовое пожаротушение
        • Аэрозольное пожаротушение
        • Пожарные рукава и арматура (головки, клапана, стволы)
        • Водяное пожаротушение
        • Автономные огнетушители
      • Средства и системы оповещения, музыкальной трансляции
        • Системы оповещения о пожаре
        • Системы оповещения, музыкальной трансляции
        • Оборудование для защиты информации
      • Средства и системы контроля и управления доступом (СКУД)
        • Кнопки выхода
        • Доводчики
        • Биометрические СКУД
        • Ограждения
        • Готовые решения СКУД
        • Контроль периметра
        • Зеркала безопасности
        • Шлагбаумы и автоматика
        • Устройства для печати на пластиковых картах
        • Турникеты
        • Считыватели
        • СКУД автономные
        • СКУД сетевые
        • Калитки
        • Замки и электромеханические защелки
        • Идентификаторы
        • Досмотровое оборудование
        • Домофоны и переговорные устройства
        • Светофоры
      • Сетевое оборудование
        • Трансиверы (SFP-модули)
        • Программное обеспечение для сетевого оборудования
        • Прочее сетевое оборудование
        • Инжекторы и сплиттеры PoE
        • Оборудование для усиления сотовой связи
        • Модемы
        • Антенны
        • Удлинители Ethernet
        • Системы диспетчерской связи и вызова персонала
        • Сетевые коммутаторы
        • Оборудование Wi-Fi
        • Медиаконвертеры
        • Средства защиты информации
        • Сетевые адаптеры
        • Рации и аксессуары
        • Преобразователи интерфейса
        • Часофикация
      • Светотехника
        • Аварийное и ориентационное освещение
        • Световые шнуры, светодиодные ленты и комплектующие
        • Аксессуары для светотехники и вспомогательное оборудование
        • Прожекторы и светильники направленного света
        • Патроны(ламподержатели)
        • Иллюминация и декоративное освещение
        • Взрывобезопасные световые приборы
        • Оптоволоконные и струнные системы освещения
        • Опоры освещения
        • Светильники
        • Лампы(источник света)
        • Пускорегилирующая аппаратура и устройства питания для световых приборов
        • Фонари и переносные световые приборы
        • Трансформаторы для низковольтных систем освещения, блоки защиты ламп
      • Оборудование СКС
        • Кабельные органайзеры
        • Коммутационные модули
        • Разъемы
        • Коммутационные розетки
        • Оптические панели и аксессуары
        • Патч-корды
        • Оборудование телефонии
      • Низковольтное оборудование
        • Клеммы
        • Шинопровод
        • Предохранители
        • Низковольтные устройства различного назначения и аксессуары
        • Контрольно-измерительные устройства
        • Компоненты светосигнальной арматуры
        • Клеммные колодки
        • Измерительные приборы для установки в щит
        • Выключатели нагрузки(рубильники)
        • Щиты и шкафы
        • Системы контроля и учёта энергоресурсов
        • Технологические сенсоры
        • Приводная техника, насосы и электродвигатели
        • Пускорегулирующая аппаратура
        • Низковольтные разъемы
        • Автоматические выключатели
        • Автоматизация
        • Cветосигнальная арматура (кнопки, лампочки, переключатели)
        • Элементы управления для светосигнальной арматуры
        • Устройства оптической(световой) и аккустической(звуковой) сигнализации
      • Компьютерное оборудование
        • Периферия и аксессуары
        • Ноутбуки и аксессуары
        • Компьютеры и ПО
      • Климатическое оборудование
        • Воздуховоды и вытяжки
        • Теплый пол
        • Аспирационные системы
        • Монтажные и расходные материалы
        • Защита протечки воды
        • Вентиляторы
        • Бойлеры и аксессуары
        • Системы антиобледенения
        • Обогреватели
        • Терморегуляторы
        • Радиаторы отопления
        • Погодные станции и сплит-системы
        • Отопительные котлы
      • Кабельно-проводниковая продукция
        • Кабели для ОПС
        • Кабели и провода силовые, контрольные, прочие
        • Огнестойкие кабельные линии (ОКЛ)
      • Инструмент
        • Ручной инструмент
        • Инструмент для работы с кабелем
        • Аксессуары для электроинструмента
        • Прочий электроинструмент
        • Перфораторы
        • Пилы
        • Шуруповерты
        • Сварочное оборудование
        • Лобзики
        • Измерительные приборы и инструмент
        • Дрели
        • Штукатурно-малярный инструмент
        • Шлифмашинки
        • Граверы
        • Фены (термопистолеты)
        • Фрезеры
        • Пистолеты
        • Отбойные молотки
        • Ножницы по металлу
        • Лестницы и стремянки
        • Заклепочники
        • Гайковерты
        • Гвоздезабиватели (степлеры)
        • Болгарки
        • Аксессуары для пневмоинструмента
        • Электромонтажный инструмент
        • Паяльное оборудование
        • Магнитный инструмент
        • Рубанки
        • Хранение инструмента
        • Строительные пылесосы
        • Спецодежда и СИЗ
        • Инструмент для маркировки
        • Домкраты
      • Кабеленесущие системы
        • Трубы для электропроводки и аксессуары
        • Металлорукава и аксессуары
        • Коробки монтажные
        • Металлические лотки и аксессуары
        • Кабель-каналы и аксессуары
        • Системы несущих конструкций
      • Источники бесперебойного электропитания и АКБ
        • Стабилизаторы напряжения
        • Зарядные устройства
        • Дополнительное оборудование
        • Источники бесперебойного питания (ИБП/UPS)
        • Источники питания
        • Генераторные установки (электростанции)
        • Аккумуляторы
        • Трансформаторы
      • Взрывозащищенное оборудование
        • Источники электропитания взрывозащищенные
        • Барьеры искрозащиты
        • Системы видеонаблюдения взрывозащищенные
        • Оборудование СКУД взрывозащищенное
        • Модули пожаротушения взрывозащищенные
        • Изделия коммутационные взрывозащищенные
        • Извещатели и оповещатели взрывозащищенные
        • Термошкафы взрывозащищенные
        • Приборы приемно-контрольные взрывозащищенные
        • Прочие взрывозащищенные приборы
      • IT-направление
        • Телефония и Unified Communications
        • Серверы
        • Программное обеспечение
        • AutoIDC и электронное торговое оборудование
      • Отопление
        • Трубопроводная система PEX/EVOH
        • Шаровые краны
        • Балансировочные и термостатические клапаны
        • Коллекторные узлы
        • Приборы учёта
        • Изоляция для труб
        • Стальные панельные радиаторы
        • Котлы
      • Водоснабжение
        • Трубопроводная система PEX для водоснабжения
        • Трубопроводная система PPR
        • Приборы учёта
        • Редукторы давления
        • Балансировочные клапаны ГВС
      • Водоотведение
        • Чугунные трубы и фитинги SML К2
        • Канализация ВКПП К1
      Будьте в курсе наших акций и новостей
      Подписаться
      Задать вопрос
      Статьи
      1 июля 2024
      OSNOVO - Гигабитные PoE инжекторы на 65W со встроенной грозозащитой
      27 июля 2022
      Время работы оборудования при отключении питания
      Каталог
      Акции
      Бренды
      Калькулятор ОКЛ
      Компания
      О компании
      Новости
      Обучение
      Мероприятия
      Участие в выставках
      Вакансии
      Сертификаты дилерства
      Сертификаты соответствия
      Контакты
      Информация
      Условия оплаты
      Условия доставки
      Гарантия на товар
      Реквизиты
      Политика конфиденциальности
      Положение об антикоррупционной политике
      Карта сайта
      Сервис
      Возврат оборудования
      Гарантийное и сервисное обслуживание
      Подписаться на рассылку
      +7 (499) 340-14-78
      +7 (499) 340-14-78Для оптовых покупателей
      +7 (800) 550-20-81Для оптовых покупателей
      +7 (499) 272-04-37Для поставщиков и оптовых покупателей
      +7 (985) 051-96-09Ремонт
      +7 (916) 017-84-41
      info@mossb.ru
      г. Москва, ул. Снежная, д. 26.
      Мы в соцсетях: t.me/msb_ru
      • Telegram
      • WhatsApp
      2026 © Гарантия низких цен и быстрой отгрузки
      Пн. – Пт.: с 9:00 до 18:00